lemon-mirror:
Home >> Hummer >> 2007 >> H3 L5-3.7L >> Repair and Diagnosis >> Engine, Cooling and Exhaust >> Engine >> Timing Components >> Timing Cover >> Service and Repair

Timing Cover: Service and Repair



Engine Front Cover Replacement

Tools Required

J 44219 Cover Alignment Pins

Removal Procedure




1. Remove the water pump Service and Repair.
2. Remove the crankshaft balancer Service and Repair.
3. Remove the drive belt tensioner .
4. Remove the power steering pump Service and Repair.
5. Remove the oil pump pipe and screen assembly .
6. Lower the vehicle.
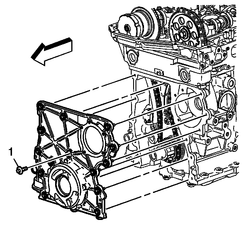
7. Remove the 7 mm center bolt (1).
8. Remove the remaining engine front cover bolts.
9. Install 2 bolts into any of the threaded holes to act as jack screws and tighten evenly in order to separate the engine front cover from the engine block.
10. Remove the engine front cover.
11. Remove the 2 bolts from the jack screw holes.
12. Remove the oil pump if necessary .
13. Clean and inspect the engine front cover 60. Engine Front Cover Cleaning and Inspection.
14. Clean and inspect the engine block sealing surface.

Installation Procedure

1. Install the oil pump, if previously removed .




2. To aid in alignment of the front cover, thread the J 44219 into the engine block.





Important: The engine front cover must be installed within 10 minutes from when the sealer was applied.

3. Apply a 3 mm (0.12 in)
bead of sealer to the engine front cover (1).




4. Align the oil pump to the crankshaft sprocket splines.
5. Install the engine front cover over the J 44219. and to the engine block.
6. Install the engine front cover bolts.
7. Remove the J 44219 from the engine block.

Notice: Refer to Fastener Notice.

8. Install the 2 remaining engine front cover bolts.
1. Tighten the bolts to 10 N.m (89 lb in).
2. Tighten the small center bolt (1) last to 8 N.m (71 lb in).
9. Install the oil pump pipe and screen assembly .
10. Install the power steering pump Service and Repair.
11. Install the drive belt tensioner .
12. Install the crankshaft balancer Service and Repair.
13. Install the water pump Service and Repair.