lemon-mirror:
Home >> Hummer >> 2007 >> H3 L5-3.7L >> Repair and Diagnosis >> Engine, Cooling and Exhaust >> Engine >> Timing Components >> Timing Chain >> Service and Repair

Timing Chain: Service and Repair



Timing Chain and Sprockets Replacement

Tools Required

* J 44221 Camshaft Holding Tool
* J 45059 Angle Meter

Removal Procedure




1. Remove the #1 cylinder spark plug.
2. Remove the camshaft cover.
3. Remove the exhaust camshaft position (CMP) sensor.
4. Remove the intake CMP sensor.
5. Remove the engine front cover.
6. Rotate the crankshaft in the engine rotational direction clockwise, until the #1 piston is at top dead center (TDC) on the compression stroke.
The word Delphi on the exhaust camshaft position actuator will be parallel with the cylinder head to cam cover mating surface.




Caution: Refer to Camshaft Holding Tool Caution.

7. Install the J 44221 to the rear of the camshafts.




8. Release the tension on the timing chain by moving the tensioner shoe in.




9. Place the tee into the tensioner to hold the shoe in place.




10. Remove and discard the exhaust camshaft position actuator bolt.
11. Remove the exhaust camshaft position actuator.




12. Remove and discard the intake camshaft sprocket bolt.
13. Remove the intake camshaft sprocket.
14. Remove the timing chain.
15. Remove the crankshaft sprocket.
16. Clean and inspect the timing chain and sprockets.

Installation Procedure





Important: Ensure the #1 piston is at TDC. The pin on the crankshaft for the timing chain sprocket should be straight up.

1. Install the crankshaft sprocket to the crankshaft snout.

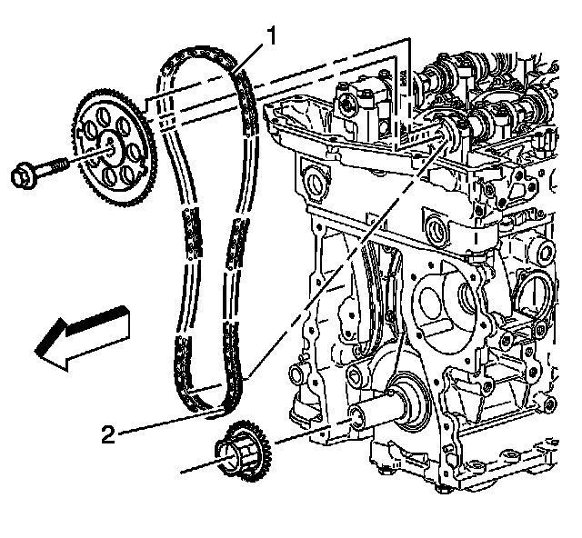
Important: Every 7th link of the timing chain is darkened to aid in aligning the timing marks.

2. Install the intake camshaft sprocket into the timing chain.
Aligning the dark link (1) of the timing chain with the timing mark on the intake camshaft sprocket.
3. Feed the timing chain down through the opening in the cylinder head.
4. Install the timing chain on the crankshaft sprocket.
Aligning the dark link (2) of the timing chain with the timing mark on to the crankshaft sprocket.

Important: Ensure the alignment pin is properly engaged with the camshaft

5. Install the intake camshaft sprocket onto the intake camshaft.





Notice: Refer to Fastener Notice.

6. Install a NEW intake camshaft sprocket bolt.

Tighten the bolt a first pass to 20 N.m (15 lb ft). Using the J 45059 rotate the bolt a final pass an additional 100 degrees.

7. Ensure the camshaft actuator is fully advanced prior to installation.




8. Install the exhaust camshaft actuator into the timing chain.
Aligning the dark link (1) of the timing chain with the timing mark (1) on the exhaust camshaft position actuator sprocket.

Notice: The camshaft actuator must be fully advanced during installation. Engine damage may occur if the camshaft actuator is not fully advanced.

Important:
^ To aid in aligning the actuator to the camshaft. use a 25 mm (1 in) wrench on the hex of the camshaft to rotate

^ Ensure the alignment pin is properly engaged with the camshaft

Install the exhaust camshaft actuator onto the exhaust camshaft.




9. Install a NEW exhaust camshaft actuator bolt.

Tighten the bolt a first pass to 25 N.m (18 lb ft). Using the J 45059 rotate the bolt a final pass an additional 135 degrees.




10. Remove the tee in the timing chain tensioner in order to regain tension on the timing chain.




11. Remove the J 44221 from the camshafts.




12. The dark links (1) on the timing chain should be aligned with the marks on the sprockets as shown.
13. Install the engine front cover.
14. Install the intake CMP sensor.
15. Install the exhaust CMP sensor.
16. Install the camshaft cover.
17. Install #1 cylinder spark plug.