lemon-mirror:
Home >> Hummer >> 2007 >> H3 L5-3.7L >> Repair and Diagnosis >> Body and Frame >> Frame >> Trailer Hitch >> Service and Repair

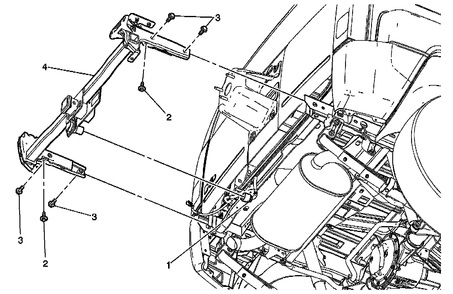
Trailer Hitch: Service and Repair


Trailer Hitch Replacement










Preliminary Procedure

Notice:Refer to.
TightenTighten