lemon-mirror:
Home >> Hummer >> 2007 >> H3 L5-3.7L >> Repair and Diagnosis >> Body and Frame >> Frame >> Skid Plate >> Service and Repair >> Engine Shield Replacement

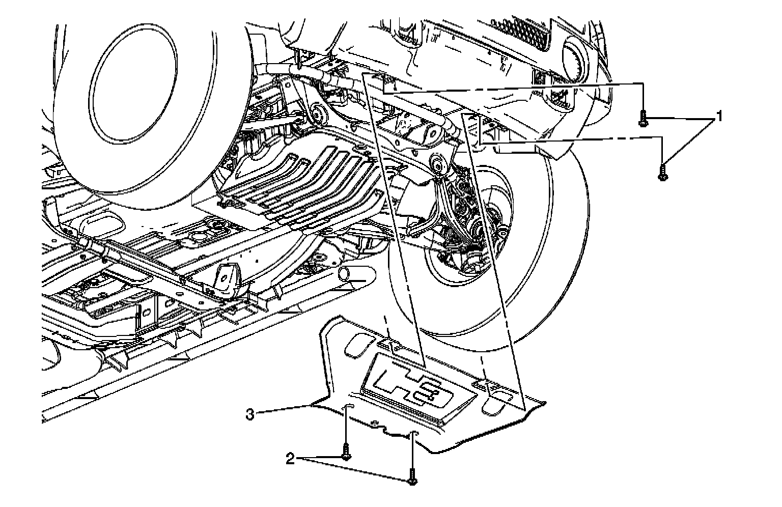
Engine Shield Replacement


Engine Shield Replacement










Notice:Refer to.
Fastener Tightening Specifications:
###

Preliminary Procedure
TightenTighten