lemon-mirror:
Home >> Hummer >> 2007 >> H3 L5-3.7L >> Repair and Diagnosis >> Body and Frame >> Frame >> Cross-Member >> Service and Repair >> Crossmember Replacement

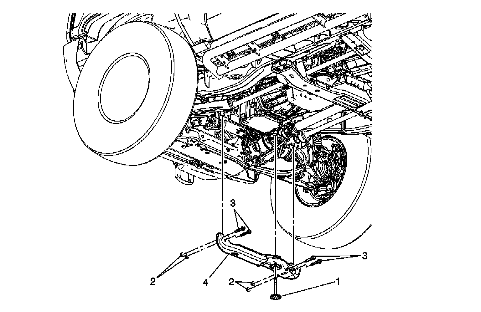
Crossmember Replacement


Crossmember Replacement










Preliminary Procedures

Notice:Refer to.
TightenTighten