lemon-mirror:
Home >> Hummer >> 2007 >> H2 V8-6.0L >> Repair and Diagnosis >> Power and Ground Distribution >> Locations >> Washer Views

Washer Views



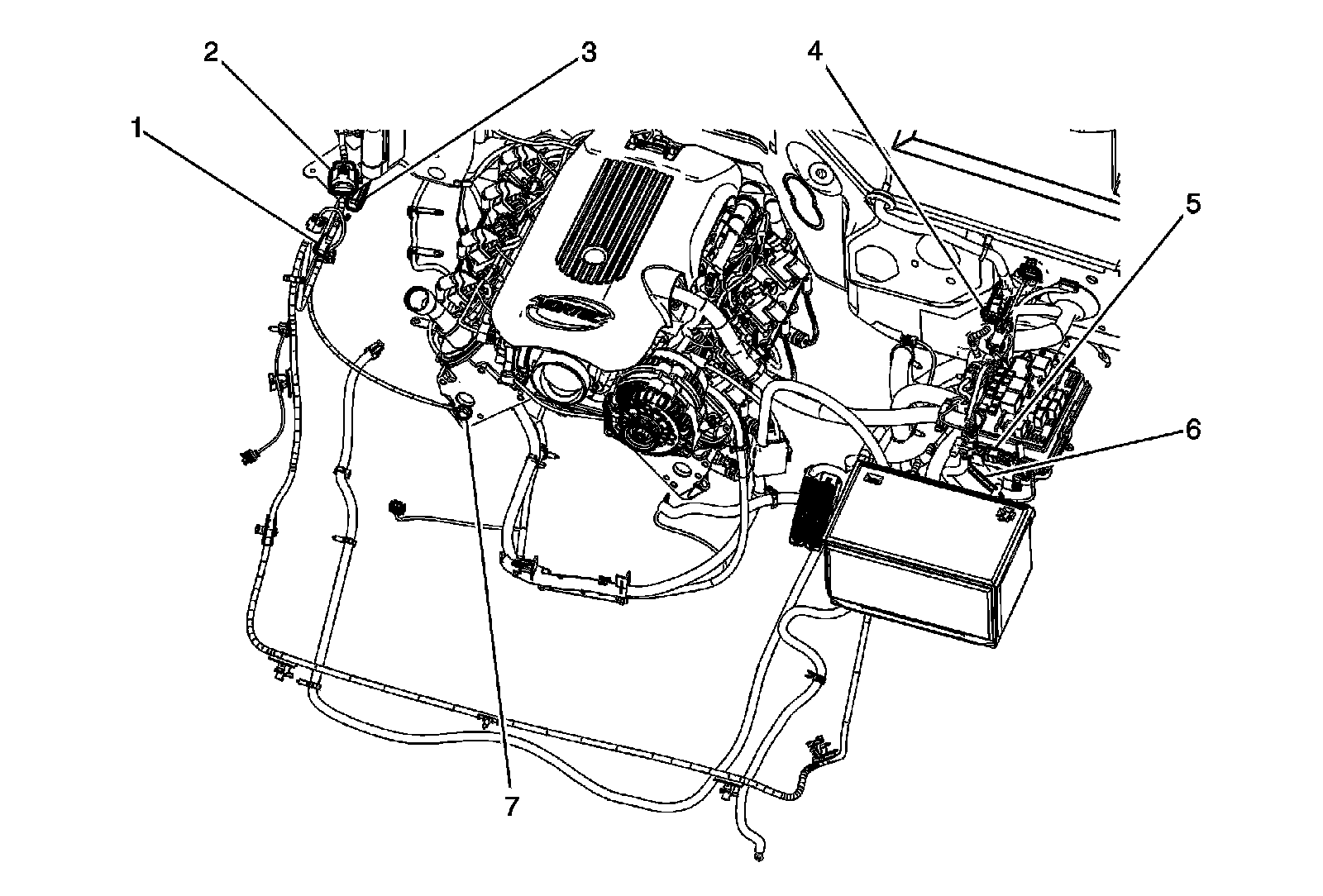
Power and Grounding Component Views

Heated Washer Harness (WS2)




1 - S107
2 - Heated Washer C1
3 - Heated Washer C2
4 - C108
5 - Mega Fuse
6 - Fusable Link
7 - G105