lemon-mirror:
Home >> Hummer >> 2007 >> H2 V8-6.0L >> Repair and Diagnosis >> Diagrams >> Electrical Diagrams >> Door Module

Door Module



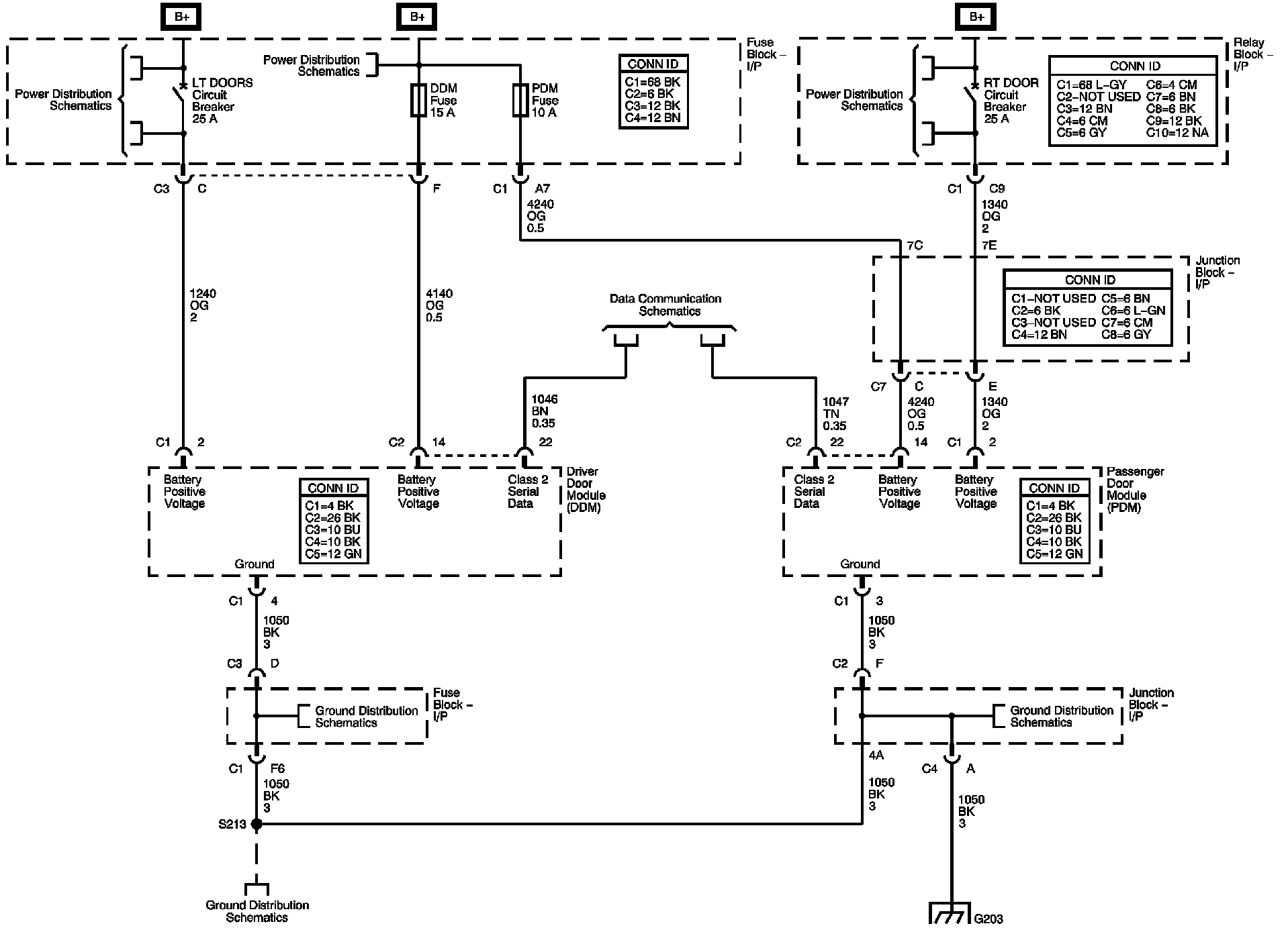
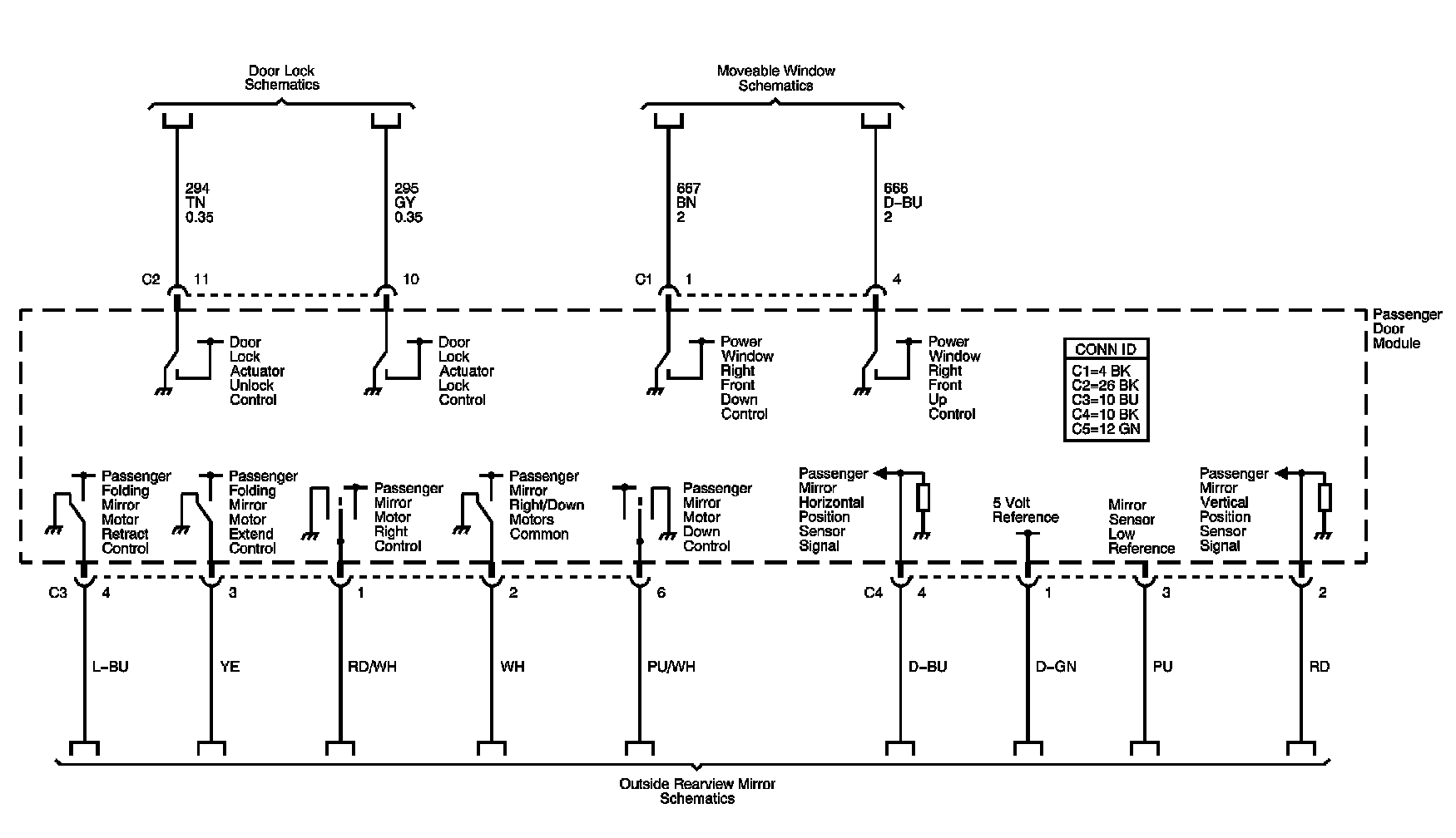
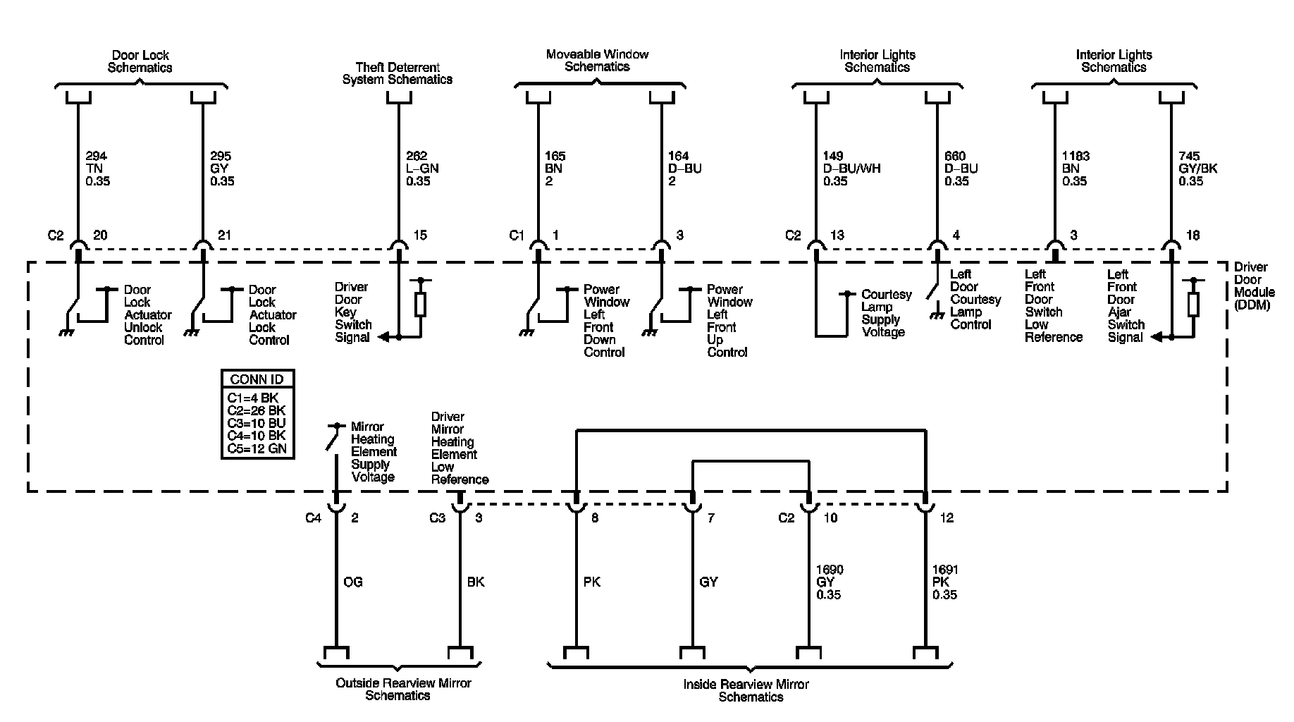
Door Control Module Schematics

Power, Ground, and Serial Data






Driver Door Module References 1 of 2






Driver Door Module References 2 of 2






Passenger Door Module References 1 of 2






Passenger Door Module References 2 of 2







Locations: The locations for the Connectors, Grounds, Splices, and Grommets shown within these diagrams can be found via their numbers at Vehicle Locations. Locations