lemon-mirror:
Home >> Hummer >> 2007 >> H2 V8-6.0L >> Repair and Diagnosis >> Body and Frame >> Frame >> Subframe >> Front Subframe Mount >> Service and Repair

Front Subframe Mount: Service and Repair


Drivetrain and Front Suspension Frame Insulator Replacement


Removal Procedure

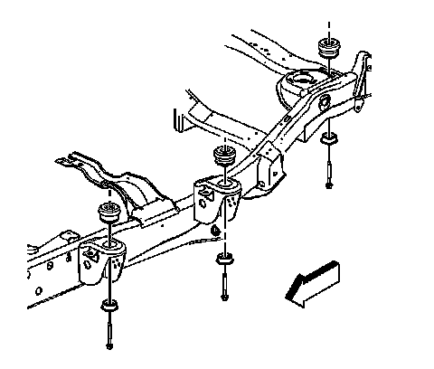
Support the frame with the hoist when you change the body mounts. If only one mount is changed loosen and lower the entire side on which the mount in question is being replaced.

1.Raise the vehicle on a hoist. Refer to Lifting and Jacking the Vehicle .

2.Using jack stands or the equivalent to support the body where the mounts will be replaced.





3.Remove the body mount bolt, retainer, and lower cushion at the radiator support.





4.Remove the body mount bolt, retainers, and lower cushions at the front mount location.





5.Remove the body mount bolt, retainers, and lower cushions at the three other mount locations.





6.Remove the body mount bolt, retainers, and lower cushion at the rear most mount.

7.Disconnect or remove any wiring harness or component that may interfere with the lowering of the frame.

8.Lower the hoist in order to leave the body supported by the jack stands.

9.Remove the upper cushions and the shims from the vehicle.

Installation Procedure

1.Install the upper cushions and the shims to the vehicle.

2.Raise the hoist to allow the body mount bolts to be installed.

3.Connect or install any wiring harness or component that was removed to allow for the lowering of the frame.





Notice:Refer to Fastener Notice .

4.Install the body mount bolt, retainer, and lower cushion at the rear most mount.





5.Install the body mount bolt, retainers, and lower cushions at the three other mount locations.





6.Remove the body mount bolt, retainers, and lower cushions at the front mount location.





7.Install the body mount bolt, retainer, and lower cushion at the radiator support.

TightenTighten the bolts to 85 N �m (63 lb ft).

8.Remove the jack stands.

9.Lower the vehicle.