lemon-mirror:
Home >> Hummer >> 2006 >> H3 L5-3.5L >> Repair and Diagnosis >> Powertrain Management >> Computers and Control Systems >> Transmission Position Sensor/Switch >> Locations

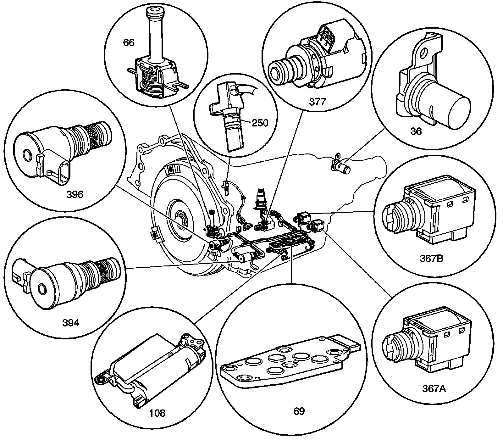
Transmission Position Sensor/Switch: Locations



Automatic Transmission Electronic Component Views

Electronic Components:





36 - Vehicle Speed Sensor (VSS) - Model Dependent
66 - Torque Converter Clutch (TCC) Solenoid Valve
69 - Automatic Transmission Fluid Pressure (TFP) Manual Valve Position Switch
108 - Secondary Fluid Pump Assembly - M33 Model Only
250 - Input Speed Sensor (ISS) Assembly - Model Dependent
367a - 1-2 Shift Solenoid (SS) Valve
367b - 2-3 Shift Solenoid (SS) Valve
377 - Pressure Control (PC) Solenoid Valve
394 - 3-2 Shift Solenoid (SS) Valve Assembly
396 - Torque Converter Clutch Pulse Width Modulation (TCC PWM) Solenoid Valve

Engine Harness - Rear (M30):





1 - Transmission Case
2 - C175 Engine Harness to Transmission Internal Harness
3 - Heated Oxygen Sensor (HO2S) 2
4 - Transfer Case Encoder Motor Connector
5 - Vehicle Speed Sensor (VSS) Connector
6 - Park / Neutral Position (PNP) Switch

Park Neutral Position (PNP) Switch:





1 - Automatic Transmission 4L60-E/4L65-E
2 - Park/Neutral Position (PNP) Switch