lemon-mirror:
Home >> Hummer >> 2005 >> H2 V8-6.0L >> Repair and Diagnosis >> Heating and Air Conditioning >> Locations >> HVAC Module

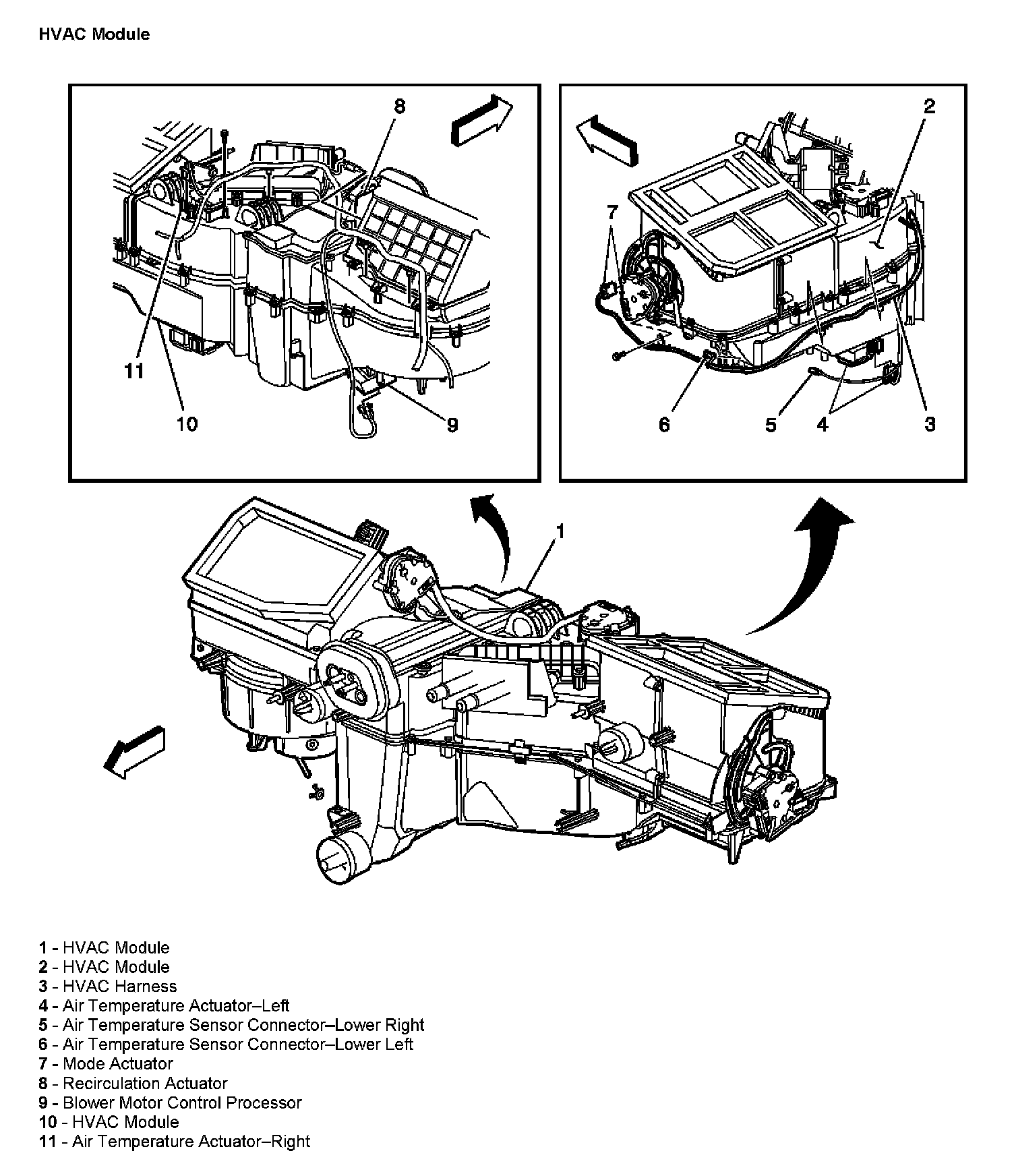
HVAC Module

HVAC Module: