lemon-mirror:
Home >> Hummer >> 2005 >> H2 V8-6.0L >> Repair and Diagnosis >> Diagrams >> Electrical Diagrams >> Locks >> Keyless Entry

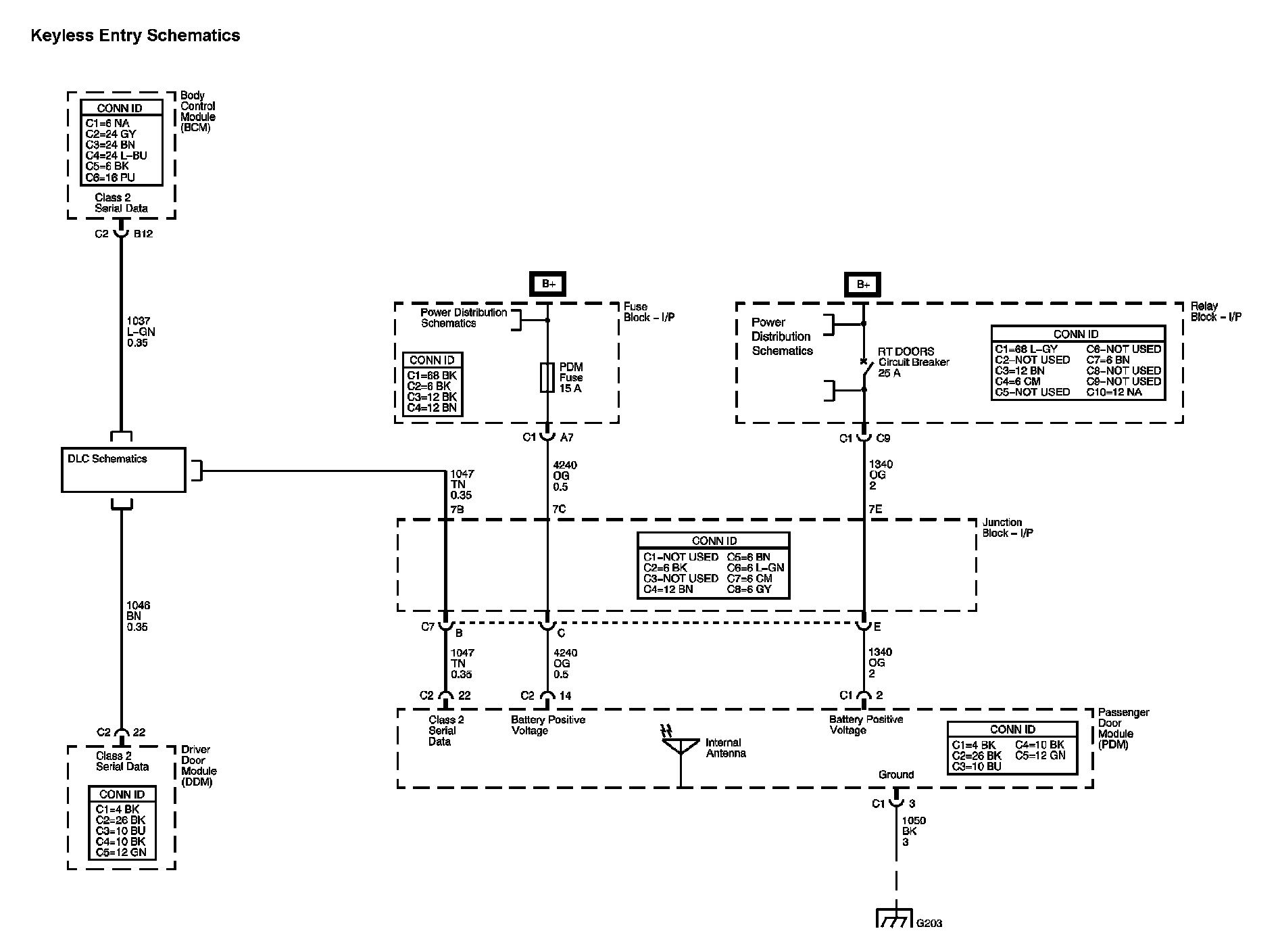
Keyless Entry



Keyless Entry Diagram:






Location: The locations for the Connectors, Grounds, Splices, and grommets shown within these diagrams can be found via their numbers at vehicle locations. Locations