lemon-mirror:
Home >> Hummer >> 2004 >> H2 V8-6.0L >> Repair and Diagnosis >> Starting and Charging >> Charging System >> Alternator >> Service and Repair >> Generator Replacement

Generator Replacement

GENERATOR REPLACEMENT

REMOVAL PROCEDURE

CAUTION: Refer to Battery Disconnect Caution in Service Precautions.




1. Disconnect the negative battery cable.
2. Remove the accessory drive belt.
3. Remove the engine sight shield.
4. Disconnect the generator electrical connector.




5. Remove the generator cable from the generator, perform the following:
5.1. Slide the boot down revealing the terminal stud.
5.2. Remove the generator cable nut from the terminal stud.
5.3. Remove the generator cable.




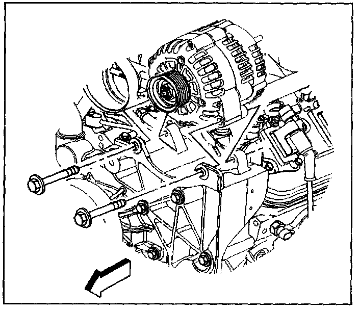
6. Remove the generator bolts.
7. Remove the generator.

INSTALLATION PROCEDURE




1. Install the generator.

NOTE: Refer to Fastener Notice in Service Precautions.

2. Install the generator bolts.

Tighten
Tighten the generator bolts to 50 N.m (37 lb ft).




3. Install the generator cable to the generator, perform the following:
3.1. Install the generator cable.
3.2. Install the generator cable nut to the terminal stud.

Tighten
Tighten the generator cable nut to 9 N.m (80 lb in).

3.3. Slide the boot over the terminal stud.




4. Connect the generator electrical connector (3).
5. Install the engine sight shield.
6. Install the accessory drive belt.




7. Connect the negative battery cable.