lemon-mirror:
Home >> Hummer >> 2004 >> H2 V8-6.0L >> Repair and Diagnosis >> Starting and Charging >> Charging System >> Alternator >> Service and Repair >> Generator Cable Replacement

Generator Cable Replacement

GENERATOR CABLE REPLACEMENT

REMOVAL PROCEDURE

CAUTION: Refer to Battery Disconnect Caution in Service Precautions.




1. Disconnect the negative battery cable.




2. Remove the generator cable from the generator, perform the following:
2.1. Reposition the boot to expose the stud.
2.2. Remove the generator cable nut.
2.3. Remove the generator cable from the stud.




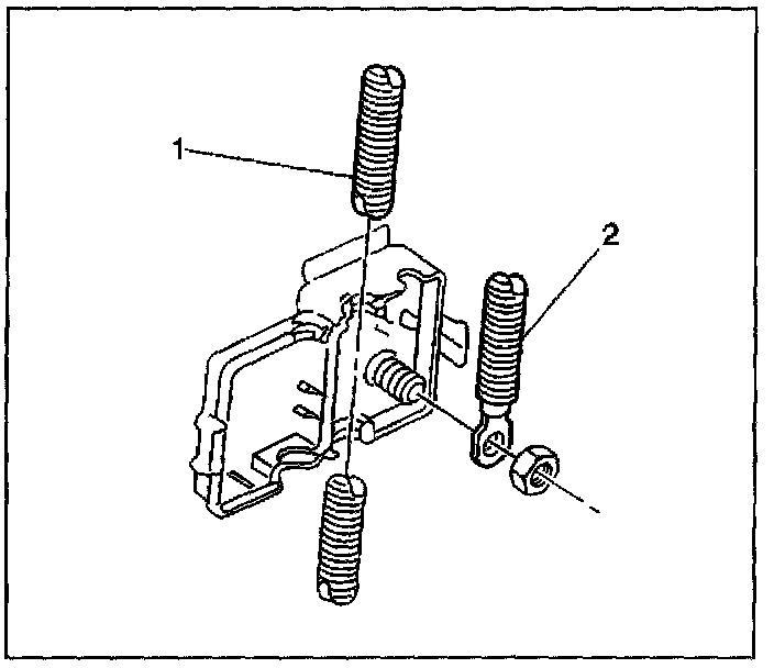
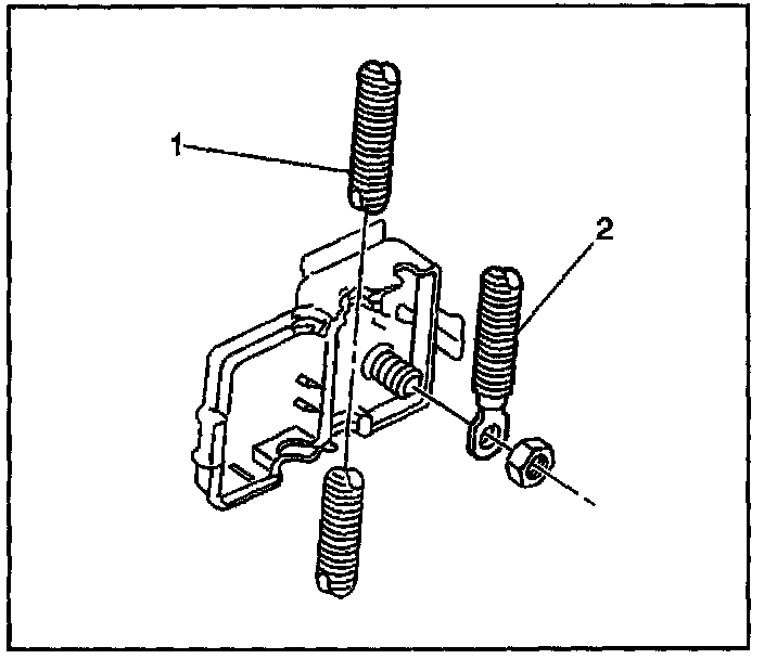
3. Open the positive cable junction block.
4. Remove the generator cable nut.
5. Remove the generator cable (2) from the junction block.

INSTALLATION PROCEDURE

NOTE: Refer to Fastener Notice in Service Precautions.




1. Install the generator cable (2) to the junction block.
2. Install the generator cable nut.

Tighten
Tighten the nut to 9 N.m (80 lb in).

3. Close the positive cable junction block.




4. Install the generator cable to the generator, perform the following:
4.1. Install the generator cable to the stud.
4.2. Install the generator cable nut.

Tighten
Tighten the nut to 9 N.m (80 lb in).

4.3. Position the boot to cover the stud.




5. Connect the negative battery cable.