lemon-mirror:
Home >> Hummer >> 2003 >> H2 V8-6.0L >> Repair and Diagnosis >> Starting and Charging >> Starting System >> Starter Motor >> Service and Repair

Starter Motor: Service and Repair

STARTER MOTOR REPLACEMENT

REMOVAL PROCEDURE

CAUTION: Refer to Battery Disconnect Caution in Service Precautions.




1. Disconnect the negative battery cable.
2. Raise and suitably support the vehicle. Refer to Vehicle Jacking.




3. Remove the engine protective shield.
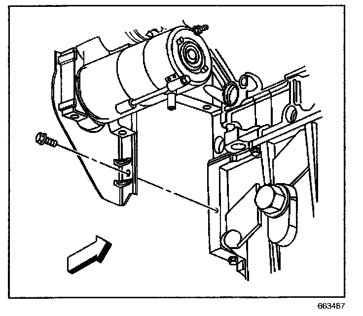
4. Remove the transmission cover bolt.




5. Remove the starter bolts.
6. Disconnect the oil level sensor electrical connector.
7. Slide the starter forward until the starter clears the transmission.




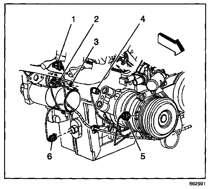
8. Remove the starter lead nut (3).
9. Remove the starter lead (2) from the starter.




10. Remove the positive cable nut (2).
11. Remove the positive cable from the starter.




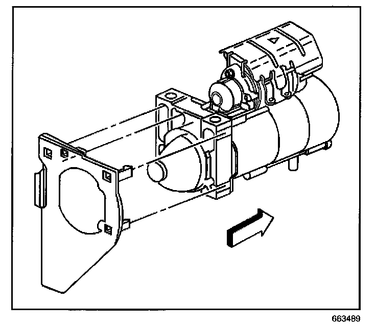
12. Place the starter on a workbench.
13. Unsnap the transmission cover from the starter.




14. Remove the starter heat shield.

INSTALLATION PROCEDURE




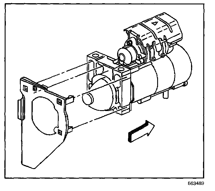
1. Install the starter heat shield.




2. Snap the transmission cover to the starter.




3. Install the positive cable to the starter.

NOTE: Refer to Fastener Notice in Service Precautions.

4. Install the positive cable nut (2).

Tighten
Tighten the positive cable nut to 9 N.m (80 lb in).




5. Install the starter lead (2) to the starter.
6. Install the starter lead nut (3).

Tighten
Tighten the starter lead nut to 3.4 N.m (30 lb in).




7. Position the starter into place.
8. Install the starter bolts.

Tighten
Tighten the starter bolts to 50 N.m (37 lb ft).

9. Connect the oil level sensor electrical connector.




10. Install the transmission cover bolt.

Tighten
Tighten the transmission cover bolt to 9 N.m (80 lb in).

11. Install the engine protective shield.
12. Lower the vehicle.




13. Connect the negative battery cable.