lemon-mirror:
Home >> Hummer >> 2003 >> H2 V8-6.0L >> Repair and Diagnosis >> Powertrain Management >> Ignition System >> Ignition Coil >> Service and Repair

Ignition Coil: Service and Repair

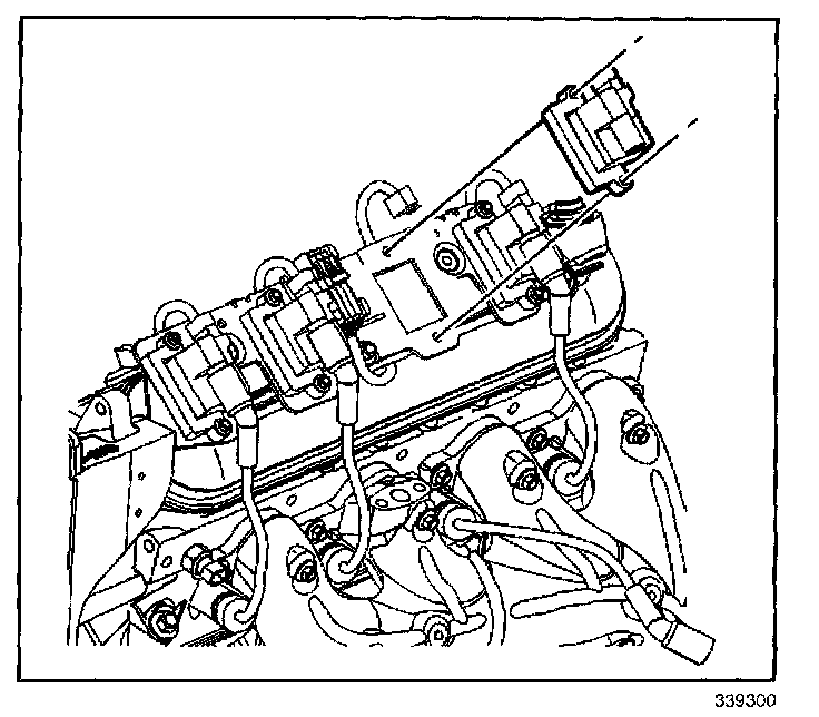
IGNITION COIL(S) REPLACEMENT

REMOVAL PROCEDURE




1. Disconnect the spark plug wires at the ignition coils.




2. Disconnect the ignition coil harness connector.




3. Remove the ignition coil mounting bolts.




4. Remove the ignition coil.

INSTALLATION PROCEDURE




1. Install the ignition coil to the bracket.

NOTE: Refer to Fastener Notice in Service Precautions.




2. Install the ignition coil mounting bolts.

Tighten
Tighten the ignition coil mounting bolts to 8 N.m (71 lb in).




3. Connect the ignition coil harness connector.




4. Connect the spark plug wires at the ignition coils.