lemon-mirror:
Home >> Hummer >> 2003 >> H2 V8-6.0L >> Repair and Diagnosis >> Powertrain Management >> Computers and Control Systems >> Relays and Modules - Computers and Control Systems >> Body Control Module >> Service and Repair >> Body Control Module Replacement

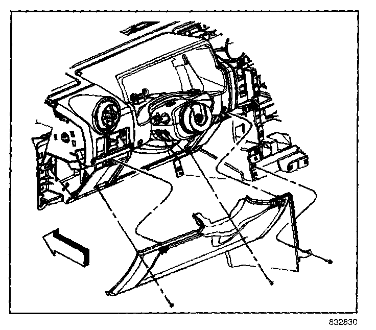
Body Control Module Replacement

BODY CONTROL MODULE REPLACEMENT

REMOVAL PROCEDURE




1. Disconnect the battery cable.
2. Remove the drivers side knee bolster and insulator.




3. Reach under the I/P and disconnect electrical connection for body control module (1).




4. Slide the body control module from the body control module bracket.

INSTALLATION PROCEDURE




1. Into the body control module bracket until it clicks into place.
2. Connect the electrical connectors to the body control module.




3. Install the drivers side insulator.
4. Connect the battery negative cables.
5. Setup the Body Control Modules customized options.