lemon-mirror:
Home >> Hummer >> 2003 >> H2 V8-6.0L >> Repair and Diagnosis >> Powertrain Management >> Computers and Control Systems >> Fuel Tank Pressure Sensor >> Service and Repair

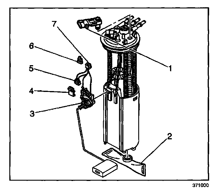
Fuel Tank Pressure Sensor: Service and Repair

FUEL TANK PRESSURE SENSOR REPLACEMENT

REMOVAL PROCEDURE




1. Remove the fuel tank.
2. Remove the fuel pressure sensor (1).

INSTALLATION PROCEDURE




1. Install the fuel pressure sensor (1).
2. install the fuel tank.