lemon-mirror:
Home >> Hummer >> 2003 >> H2 V8-6.0L >> Repair and Diagnosis >> Powertrain Management >> Computers and Control Systems >> Camshaft Position Sensor >> Service and Repair

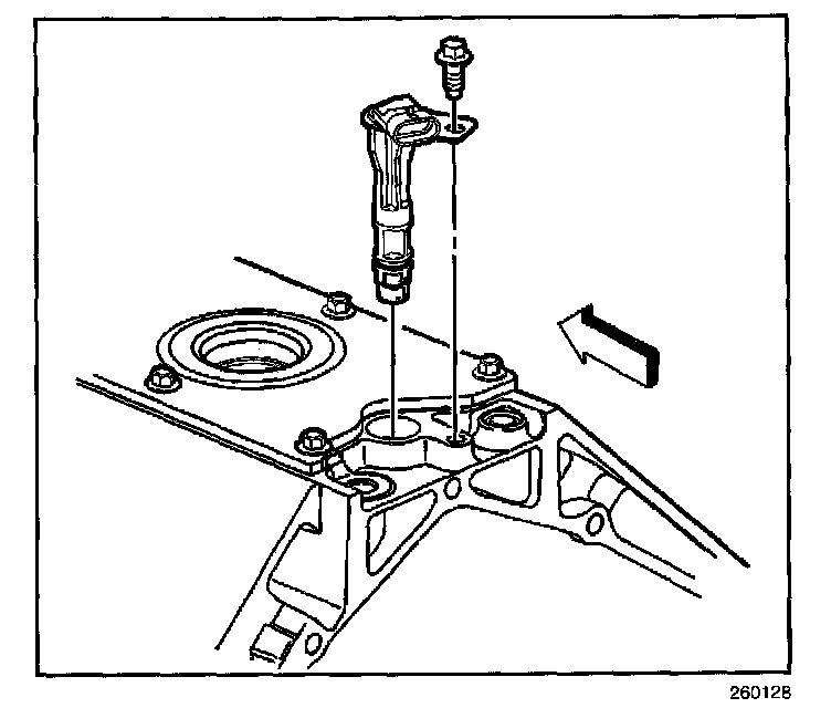
Camshaft Position Sensor: Service and Repair

CAMSHAFT POSITION (CMP) SENSOR REPLACEMENT

REMOVAL PROCEDURE

IMPORTANT: Clean the area around the camshaft position (CMP) sensor before removal in order to prevent debris from entering the engine.




1. Remove the engine sight shield.
2. Disconnect the CMP sensor electrical connector.
3. Remove the CMP sensor bolt.
4. Remove the CMP sensor.

INSTALLATION PROCEDURE




1. Install the CMP sensor.

NOTE: Refer to Fastener Notice in Service Precautions.

2. Install the CMP sensor bolt.

Tighten
Tighten the bolt to 25 N.m (18 lb ft).

3. Connect the CMP sensor electrical connector.
4. Install the engine sight shield.