lemon-mirror:
Home >> Hummer >> 2003 >> H2 V8-6.0L >> Repair and Diagnosis >> Engine, Cooling and Exhaust >> Engine >> Timing Components >> Timing Chain >> Service and Repair

Timing Chain: Service and Repair

TIMING CHAIN AND SPROCKETS REPLACEMENT

TOOLS REQUIRED
- J 8433 Two Jaw Puller
- J 41816-2 Crankshaft End Protector
- J 41558 Crankshaft Sprocket Remover
- J 41665 Crankshaft Balancer and Sprocket Installer

REMOVAL PROCEDURE




1. Remove the oil pump.
2. Rotate the crankshaft until the timing marks on the crankshaft and the camshaft sprockets are aligned.

NOTE: Do not turn the crankshaft assembly after the timing chain has been removed in order to prevent damage to the piston assemblies or the valves.

3. Remove the camshaft sprocket bolts.
4. Remove the camshaft sprocket and timing chain.




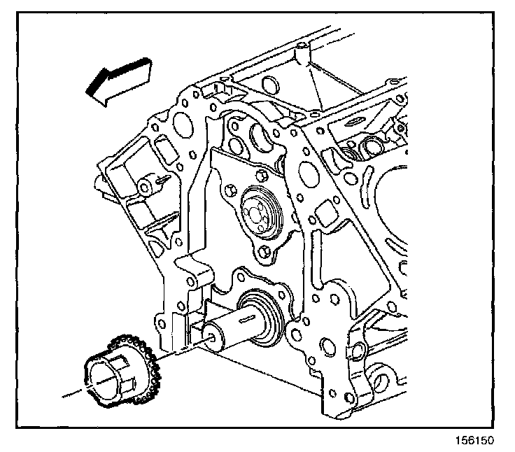
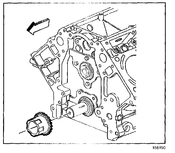
5. Use the J 8433, the J 41816-2 and the J 41558 in order to remove the crankshaft sprocket.




6. Remove the crankiest sprocket.




7. Remove the crankshaft sprocket key, if required.
8. Clean and inspect the timing chain and sprockets.

INSTALLATION PROCEDURE




1. Install the key into the crankshaft keyway, if previously removed.




2. Tap the key (1) into the keyway until both ends of the key bottom onto the crankshaft.




3. Install the crankshaft sprocket onto the front of the crankshaft. Align the crankshaft key with the crankshaft sprocket keyway.




4. Use the J 41665 in order to install the crankshaft sprocket.
Install the sprocket onto the crankshaft until fully seated against the crankshaft flange.
5. Rotate the crankshaft sprocket until the alignment mark is in the 12 o'clock position.

IMPORTANT:
- Properly locate the camshaft sprocket locating pin with the camshaft sprocket alignment hole.
- The sprocket teeth and timing chain must mesh.
- The camshaft and the crankshaft sprocket alignment marks MUST be aligned properly. Locate the camshaft sprocket alignment mark in the 6 o'clock position.




6. Install the camshaft sprocket and timing chain.




7. It necessary, rotate the camshaft or crankshaft sprockets in order to align the timing marks.

NOTE: Refer to Fastener Notice in Service Precautions.

8. Install the camshaft sprocket bolts.

Tighten
Tighten the camshaft sprocket bolts to 35 N.m (26 lb ft).

9. Install the oil pump.