lemon-mirror:
Home >> Honda >> 2012 >> Pilot 2WD V6-3.5L >> Repair and Diagnosis >> Powertrain Management >> Computers and Control Systems >> Variable Valve Timing Actuator Position Sensor >> Locations >> Engine Block Assembly Component Location Index

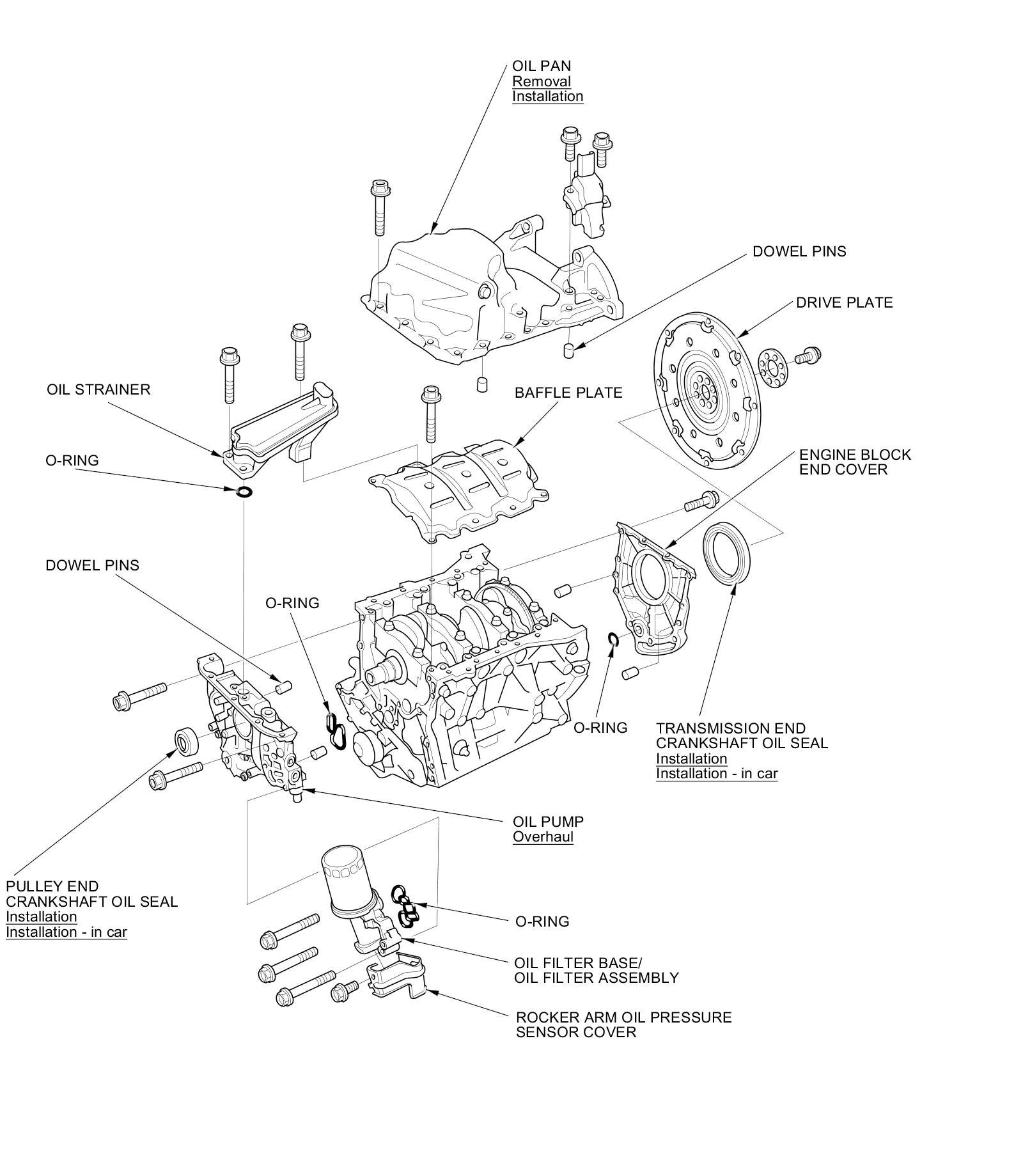
Engine Block Assembly Component Location Index




Engine Block Assembly Component Location Index