lemon-mirror:
Home >> Honda >> 2012 >> Pilot 2WD V6-3.5L >> Repair and Diagnosis >> Powertrain Management >> Computers and Control Systems >> Transmission Position Sensor/Switch >> Service and Repair

Transmission Position Sensor/Switch: Service and Repair




Transmission Range Switch Replacement

1. Do the battery removal procedure.

2. Remove the auxiliary under-hood fuse/relay box from its bracket, and remove the bracket from the battery base.

3. Remove the intake air duct and the air cleaner housing.

4. Remove the battery base and the battery base bracket.

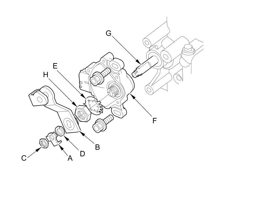
5. Remove the spring clip (A) and the control pin (B), then separate the shift cable end (C) from the selector control lever (D).






6. Remove the nuts securing the shift cable bracket (E).

7. Check the bushing (F) in the shift cable end for proper fit and wear. If the bushing is loose or worn, replace the shift cable Service and Repair.

8. Disconnect the transmission range switch connector.

9. Pry the lock tab of the lock washer (A) on the selector control lever (B), and remove the nut (C), the lock washer, the spring washer (D), and the selector control lever.





10. Pry the lock tabs of the lock washer (E) on the transmission range switch (F), hold the selector control shaft (G) with a 6 mm wrench, and loosen the locknut (H).

11. Remove the locknut and the lock washer, then remove the transmission range switch (two bolts).

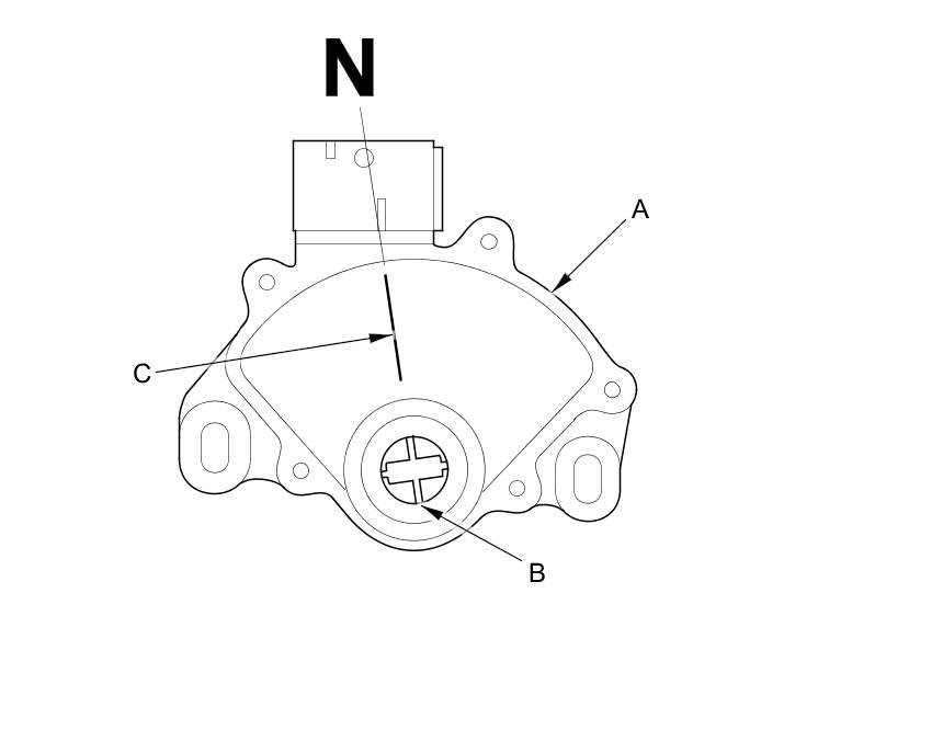
12. Set the transmission range switch (A) to the N position, by turning the selector control shaft hub (B) of the switch until it aligns with N position line (C).






13. With a 6 mm wrench, turn the selector control shaft fully counterclockwise (viewed from the shaft end) to the P position. Then turn the selector control shaft clockwise two clicks to the N position.






14. Install the transmission range switch (A) gently over the selector control shaft (B), and install the bolts loosely.






15. Install a new lock washer (A) over the selector control shaft (B) by aligning the indicator tab (C) of the lock washer with the N positioning line (D) on the transmission range switch (E). Then install the locknut (F).






16. Push the locknut against the transmission housing to seat the transmission range switch into the selector control shaft, and tighten the locknut (A) to 18 N-m (1.8 kgf-m, 13 lbf-ft) while holding the selector control shaft (B) with a 6 mm wrench (C), then bend the lock tabs (D) of the lock washer against the locknut.





17. Tighten the bolts (E) securing the transmission range switch to 12 N-m (1.2 kgf-m, 8.7 lbf-ft).

18. Install the selector control lever (A), the spring washer (B), a new lock washer (C), and the locknut (D) on the control shaft (E). Bend the lock tab of the lock washer against the locknut.





19. Check the connectors for rust, dirt, or oil. Clean if needed, then connect the connector securely.

20. Apply molybdenum grease to the center of the bushing on the shift cable end. Attach the shift cable end to the selector control lever, then insert the control pin into the selector control lever hole through the shift cable end, and secure the control pin with the spring clip.

21. Secure the shift cable bracket with the nuts.

22. Install the battery base bracket and the battery base.

23. Install the air cleaner housing and the intake air duct.

24. Install the auxiliary under-hood fuse/relay box on the battery base, and install the fuse/relay box on its bracket.

25. Do the battery installation procedure.

26. Turn the ignition switch to ON (II). Move the shift lever through all positions, and check the transmission range switch synchronization with the A/T gear position indicator.

27. Check that the engine starts in P and N, and does not start in any other shift lever position.

28. Check that the back-up lights come on when the shift lever is in R.

29. Allow all four wheels to rotate freely, then start the engine, and check the shift lever operation.