lemon-mirror:
Home >> Honda >> 2012 >> Insight L4-1.3L Hybrid >> Repair and Diagnosis >> Heating and Air Conditioning >> Humidity Sensor >> Locations >> Climate Control System Component Location Index

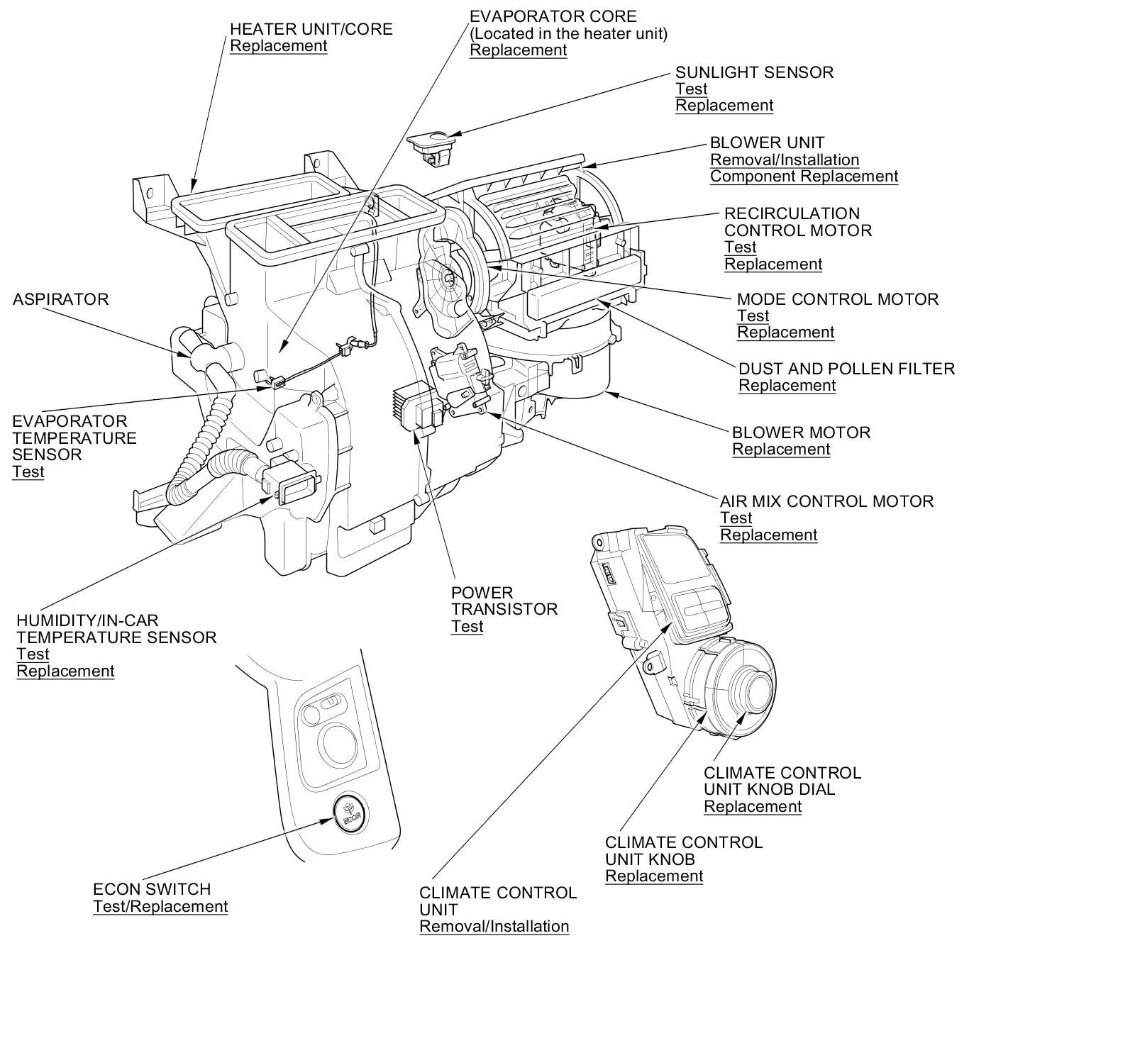
Climate Control System Component Location Index




Climate Control System Component Location Index