lemon-mirror:
Home >> Honda >> 2012 >> Crosstour 2WD L4-2.4L >> Repair and Diagnosis >> Heating and Air Conditioning >> Control Assembly >> Service and Repair >> HVAC Control Unit Removal/Installation

HVAC Control Unit Removal/Installation




HVAC Control Unit Removal/Installation

1. Remove the audio unit Audio Unit Removal/Installation (With Navigation).

2. Remove the self-tapping screws. If necessary, replace the bulbs (A).






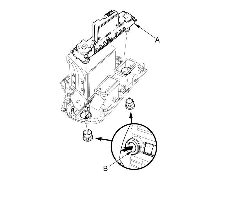
3. While holding the HVAC control unit (A), firmly press the center of one of the dials (B) to remove the outer dial. Repeat for the other outer dial, then remove the unit.





4. Install the control unit in the reverse order of removal. After installation, operate the various functions to make sure they work properly.

5. Run the self-diagnostic function to confirm that there are no problems in the system.