lemon-mirror:
Home >> Honda >> 2012 >> Civic L4-1.8L >> Repair and Diagnosis >> Powertrain Management >> Computers and Control Systems >> Electric Load Sensor >> Service and Repair

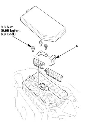
Electric Load Sensor: Service and Repair






ELD Removal and Installation

Removal

1. ELD





1. Remove the ELD (A).

Installation

1. ELD





1. Install the ELD (A).