lemon-mirror:
Home >> Honda >> 2012 >> Accord V6-3.5L >> Repair and Diagnosis >> Heating and Air Conditioning >> Control Assembly >> Service and Repair >> Climate Control Switch Removal/Installation

Climate Control Switch Removal/Installation




Climate Control Switch Removal/Installation

With Navigation

1. Remove the audio unit Audio Unit Removal/Installation (With Navigation).

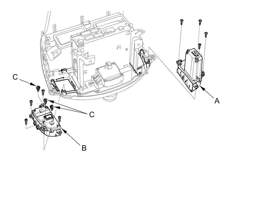
2. Remove the self-tapping screws and the driver's climate control switch (A) and passenger's climate control switch (B). If necessary, replace the bulbs (C).





3. Install the switches in the reverse order of removal.

4. Run the self-diagnostic function to confirm that there are no problems in the system.