lemon-mirror:
Home >> Honda >> 2012 >> Accord L4-2.4L >> Repair and Diagnosis >> Powertrain Management >> Computers and Control Systems >> Camshaft Position Sensor >> Service and Repair >> CMP Sensor B Replacement

CMP Sensor B Replacement




CMP Sensor B Replacement

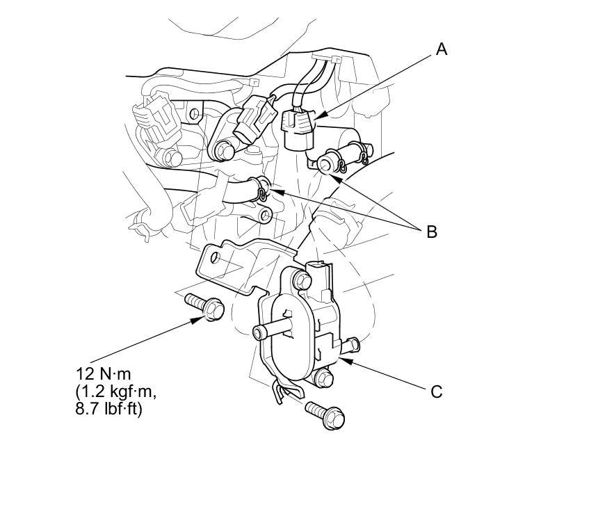
1. Disconnect the connector (A) and hoses (B) from the EVAP canister purge valve (C), then remove the EVAP canister purge valve assembly.






2. Disconnect the CMP sensor B 3P connector (A).





3. Remove CMP sensor B.

4. Install the parts in the reverse order of removal with a new O-ring (C).