lemon-mirror:
Home >> Honda >> 2011 >> Insight L4-1.3L Hybrid >> Repair and Diagnosis >> Powertrain Management >> Computers and Control Systems >> Engine Mode Switch >> Locations >> Climate Control System Component Location Index

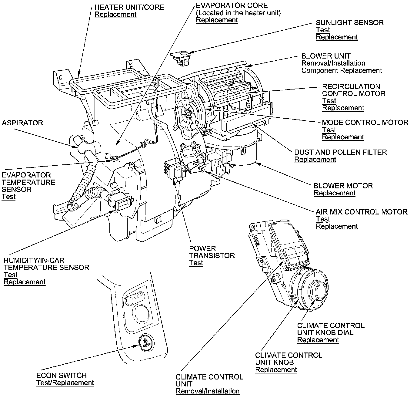
Climate Control System Component Location Index




Climate Control System Component Location Index