lemon-mirror:
Home >> Honda >> 2010 >> Ridgeline V6-3.5L >> Repair and Diagnosis >> Powertrain Management >> Computers and Control Systems >> Engine Control Module >> Service and Repair

Engine Control Module: Service and Repair




PCM Replacement

Special Tools Required

- Honda Diagnostic System (HDS) tablet tester
- Honda Interface Module (HIM) and an iN workstation with the latest HDS software version
- HDS pocket tester
- GNA600 and an iN workstation with the latest HDS software version
Any one of the above updating tools can be used.

1. Connect the HDS to the data link connector (DLC) (A) located under the driver's side of the dashboard.





2. Turn the ignition switch to ON (II).

3. Make sure the HDS communicates with the PCM and other vehicle systems. If it doesn't, go to the DLC circuit troubleshooting Testing and Inspection. If you are returning from the DLC circuit troubleshooting, skip steps 4 through 9, 18 through 23, and 26 through 28, and do these procedures after replacing the PCM:

- Replace the engine oil Service and Repair and the engine oil filter Service and Repair.
- Replace the ATF ATF Replacement.
- Clean the throttle body Procedures.

4. Select the PGM-FI system with the HDS.

5. Select the INSPECTION MENU with the HDS.

6. Select the ETCS TEST, then select the TP POSITION CHECK, and follow the HDS prompts.

NOTE: If the TP POSITION CHECK indicates FAILED, continue with this procedure.

7. Select the REPLACE PCM MENU, then select READ DATA, and follow the HDS prompts.

NOTE:

- Doing this step copies (READS) the engine oil life data from the original PCM so you can later download (WRITES) it into the new PCM.
- If READ DATA indicates FAILED, continue with this procedure.

8. Select the A/T system with the HDS.

9. Select the REPLACE TCM/PCM MENU, then select READ DATA, and follow the HDS prompts.

NOTE:

- Doing this step copies (READS) the ATF life data from the original PCM so you can later download (WRITES) it into the new PCM.
- If READ DATA indicates FAILED, continue with this procedure.

10. Turn the ignition switch to LOCK (0).

11. Jump the SCS line with the HDS.

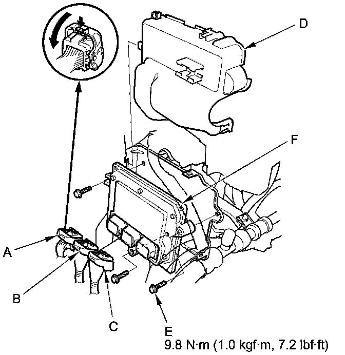
12. Remove the cover (D).





13. Disconnect PCM connectors A, B, and C.

NOTE: PCM connectors A, B, and C have symbols (A=(square), B=(triangle), C=(circle)) embossed on them for identification.

14. Remove the bolts (E), then remove the PCM assembly (F).

15. Install the PCM in the reverse order of removal.

16. Turn the ignition switch to ON (II).

17. Manually input the VIN to the PCM with the HDS.

NOTE: DTC P0630 (VIN Not Programmed or Mismatch) may be stored because the VIN has not been programmed into the PCM; ignore it, and continue this procedure.

18. If the READ DATA (engine oil life) failed in step 7, go to step 19. Otherwise go to step 21.

19. Select the PGM-FI system with the HDS.

20. Select the REPLACE PCM MENU, then select WRITE DATA, and follow the HDS prompts.

NOTE: If the WRITE DATA indicates FAILED, continue with this procedure.

21. If the READ DATA (ATF life) failed in step 9, go to step 22. Otherwise go to step 24.

22. Select the A/T SYSTEM with the HDS.

23. Select the REPLACE TCM/PCM MENU, then select WRITE DATA, and follow the HDS prompts.

NOTE: If the WRITE DATA indicates FAILED, continue with this procedure.

24. Select IMMOBI system with the HDS.

25. Enter the immobilizer PCM code that you got from the iN, and use the PCM replacement procedure in the IMMOBI MENU of the HDS; it allows you to start the engine.

26. If the TP POSITION CHECK failed in step 6, clean the throttle body Procedures, then go to step 27.

27. If the READ DATA failed in step 7 or the WRITE DATA failed in step 20, replace the engine oil Service and Repair and the engine oil filter Service and Repair, then go to step 28.

28. If the READ DATA failed in step 9 or the WRITE DATA failed in step 23, replace the ATF ATF Replacement, then go to step 29.

29. Select the PGM-FI system with the HDS, and reset the PCM with the HDS.

30. Update the PCM if it does not have the latest software PCM Update.

31. Do the PCM idle learn procedure PCM Idle Learn Procedure.

32. Do the CKP pattern clear/CKP pattern learn procedure.