lemon-mirror:
Home >> Honda >> 2010 >> Ridgeline V6-3.5L >> Repair and Diagnosis >> Heating and Air Conditioning >> Control Assembly >> Service and Repair >> Climate Control Unit Removal/Installation

Climate Control Unit Removal/Installation




Climate Control Unit Removal/Installation

1. Remove the instrument panel Instrument Panel Removal/Installation.

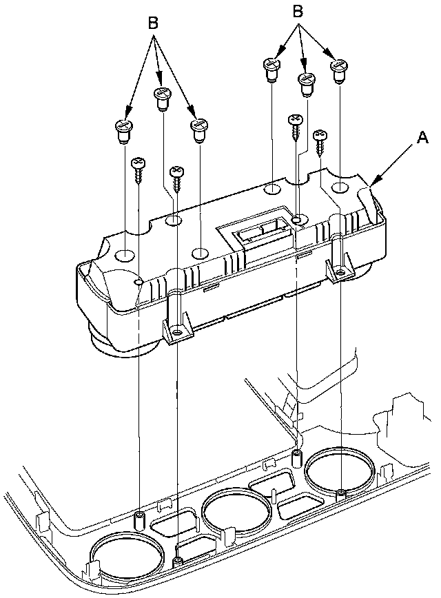
2. Remove the self-tapping screws and the climate control unit (A). If necessary, replace the bulbs (B).





3. Install the control unit in the reverse order of removal. After installation, operate the climate control unit in various functions to confirm that it works properly.

4. Run the climate control self-diagnostic function to confirm that there are no problems in the system.