lemon-mirror:
Home >> Honda >> 2010 >> Pilot 2WD V6-3.5L >> Parts and Labor >> Starting and Charging >> Starting System >> Images

Images

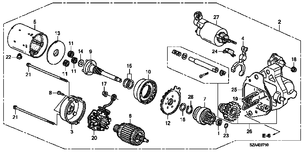
Starter Motor (Denso):