lemon-mirror:
Home >> Honda >> 2010 >> Pilot 2WD V6-3.5L >> Parts and Labor >> Heating and Air Conditioning >> Compressor HVAC >> Images

Images

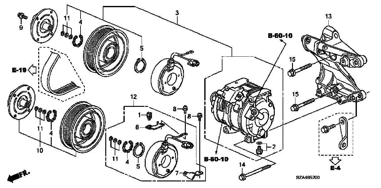
A/C Compressor: