lemon-mirror:
Home >> Honda >> 2010 >> Fit L4-1.5L >> Repair and Diagnosis >> Powertrain Management >> Computers and Control Systems >> Engine Control Module >> Service and Repair

Engine Control Module: Service and Repair




ECM/PCM Replacement

Special Tools Required

- Honda Diagnostic System (HDS) tablet tester
- Honda Interface Module (HIM) and an in workstation with the latest HDS software version
- HDS pocket tester
- GNA600 and an in workstation with the latest HDS software version
Any one of the above updating tools can be used.

NOTE: Make sure the HDS/in workstation has the latest HDS software version.

1. Connect the HDS to the data link connector (DLC) (A) located under the driver's side of the dashboard.





2. Turn the ignition switch to ON (II).

3. Make sure the HDS communicates with the ECM/PCM and other vehicle systems. If it doesn't, go to the DLC circuit troubleshooting Testing and Inspection. If you are returning from the DLC circuit troubleshooting, skip steps 4 through 9, 19 through 24, and 27 through 29, and do these procedures after replacing the ECM/PCM:

- Replace the engine oil Service and Repair and the engine oil filter Service and Repair.
- Replace the ATF (A/T) ATF Replacement.
- Clean the throttle body Procedures.

4. Select the PGM-FI system with the HDS.

5. Select the INSPECTION MENU with the HDS.

6. Select the ETCS TEST, then select the TP POSITION CHECK, and follow the screen prompts.

NOTE: If the TP POSITION CHECK indicates FAILED, continue with this procedure.

7. Select the REPLACE ECM/PCM MENU, then select READ DATA, and follow the screen prompts.

NOTE:

- Doing this step copies (READS) the engine oil life data from the original ECM/PCM so you can later download (WRITES) it into the new ECM/PCM.
- If READ DATA indicates FAILED, continue with this procedure.

8. A/T: Select the A/T system with the HDS.

9. A/T: Select the REPLACE TCM/PCM MENU, then READ DATA, and follow the screen prompts.

NOTE:

- A/T: Doing this step copies (READS) the ATF life data from the original PCM so you can later download (WRITES) it into the new PCM.
- A/T: If READ DATA indicates FAILED, continue with this procedure.

10. Jump the SCS line with the HDS.

11. Turn the ignition switch to LOCK (0).

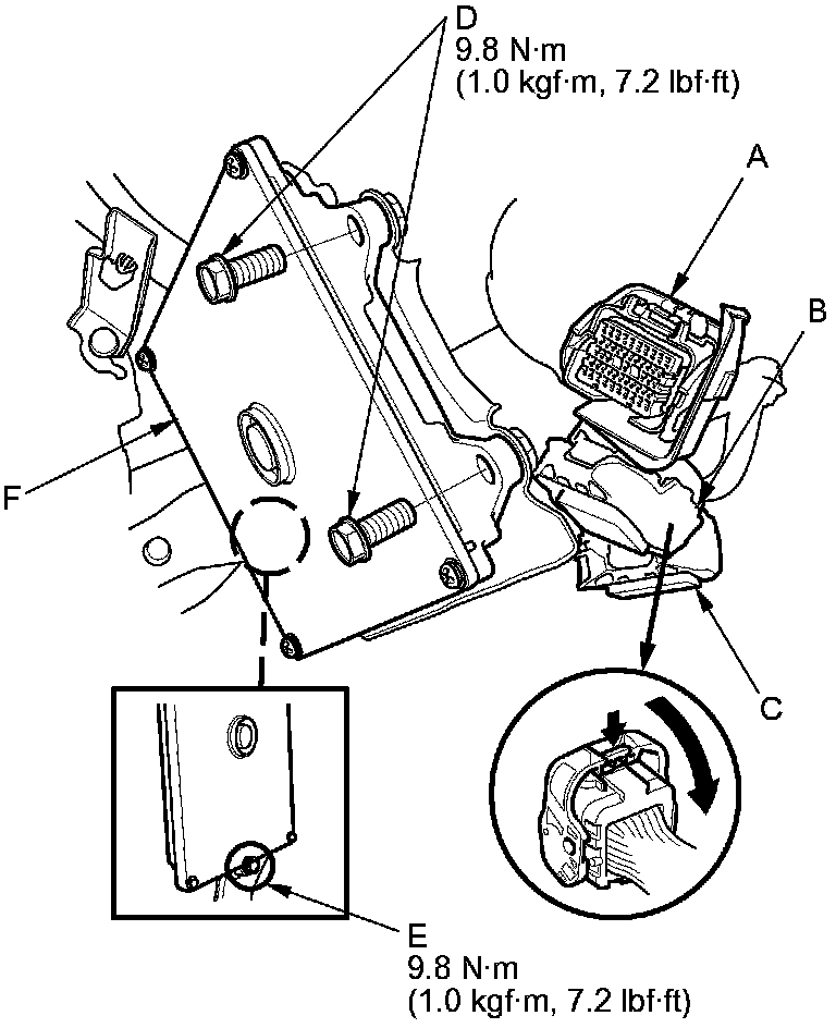
12. Remove the ECM/PCM cover (A).





13. Remove the battery holder (B), and reposition the battery away from the ECM/PCM.

NOTE: Do not disconnect the battery terminals.

14. Remove the bolts (D), and loosen the bolt (E).





15. Disconnect ECM/PCM connectors A, B, and C, then remove the ECM/PCM (F).

NOTE: ECM/PCM connectors A, B, and C have symbols (A=(square), B=(triangle), C=(circle)) embossed on them for identification.

16. Install a known-good ECM/PCM in the reverse order of removal.

17. Turn the ignition switch to ON (II).

18. Manually input the VIN to the ECM/PCM with the HDS.

NOTE: DTC P0630 (VIN Not Programmed or Mismatch) may be stored because the VIN has not been programmed into the ECM/PCM; ignore it, and continue this procedure.

19. If the READ DATA (engine oil life) failed in step 7, go to step 22 (A/T) or step 25 (M/T). Otherwise, go to step 20.

20. Select the PGM-FI system with the HDS.

21. Select the REPLACE ECM/PCM MENU, then WRITE DATA, and follow the screen prompts.

NOTE: If the WRITE DATA indicates FAILED, continue with this procedure.

22. A/T: If the READ DATA (ATF life) failed in step 8, go to step 25. Otherwise go to step 23.

23. A/T: Select the A/T SYSTEM with the HDS.

24. A/T: Select the REPLACE ECM/PCM MENU, then WRITE DATA, and follow the screen prompts.

NOTE: A/T: If the WRITE DATA indicates FAILED, continue with this procedure.

25. Select IMMOBI system with the HDS.

26. Enter the immobilizer ECM/PCM code that you got from the in, and use the ECM/PCM replacement procedure in the HDS; it allows you to start the engine.

27. If the TP POSITION CHECK failed in step 6 clean the throttle body Procedures, then go to step 28.

28. If the READ DATA failed in step 7 or the WRITE DATA failed in step 21, replace the engine oil Service and Repair and the engine oil filter Service and Repair, then go to step 29 (A/T) or step 30 (M/T).

29. If the READ DATA failed in step 9 or the WRITE DATA failed in step 24, replace the ATF ATF Replacement, then go to step 30.

30. Select the PGM-FI system, and reset the ECM/PCM with the HDS.

31. Update the ECM/PCM if it does not have the latest software ECM/PCM Update.

32. Do the ECM/PCM idle learn procedure ECM/PCM Idle Learn Procedure.

33. Do the CKP pattern learn procedure Initial Inspection and Diagnostic Overview.