lemon-mirror:
Home >> Honda >> 2010 >> Element 2WD L4-2.4L >> Repair and Diagnosis >> Powertrain Management >> Computers and Control Systems >> Fuel Level Sensor >> Service and Repair >> Fuel Tank Unit Removal/Installation

Fuel Tank Unit Removal/Installation




Fuel Tank Unit Removal and Installation

Special Tools Required

- Fuel Sender Wrench 07AAA-S0XA100

Removal

1. Relieve the fuel pressure Service and Repair.

2. Remove the center console Center Console Removal/Installation (SC).

3. Fold back the floor mat until the access panel is accessible. Remove the access panel (A) from the floor.





4. Disconnect the fuel tank unit 5P connector (B).

5. Disconnect the quick-connect fitting (C) from the fuel tank unit.

6. Using the special tool, loosen the locknut (A).






7. Remove the locknut (A) and the fuel tank unit (B).






Installation

1. Temporarily attach a new base gasket (A) to the fuel tank unit (B), then insert the fuel tank unit into the fuel tank.

NOTE:

- Be careful not to damage the new base gasket.
- Be careful not to bend the fuel gauge sending unit.
- Do not coat the base gasket with oil.





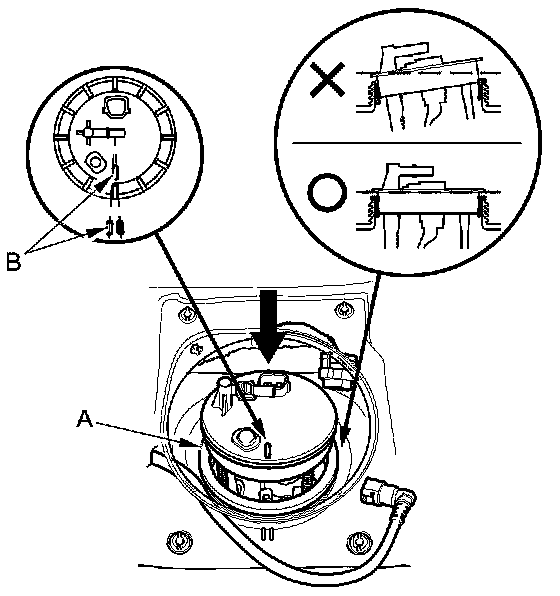
2. Transfer the base gasket (A) from the fuel tank unit to the fuel tank.





3. Align the marks (B) on the fuel tank and the fuel tank unit, then insert the fuel tank unit into the fuel tank until the fuel tank unit rest on top of the base gasket.

NOTE: To avoid a fuel leak, check the base gasket, visually or by hand, to make sure it is not pinched.

4. Using the special tool, tighten a new locknut (A) to the specified torque.

NOTE:

- After tightening, make sure the marks are still aligned.
- After installation, check the base gasket visually or by hand, to make sure it is not pinched.





5. Connect the fuel tank unit 5P connector, then connect the quick-connect fitting.

6. Turn the ignition switch to ON (II) (but do not operate the starter motor). The fuel pump runs for about 2 seconds, and fuel pressure rises. Repeat this two or three times, then make sure there are no fuel leaks.

7. Install the access panel.

8. Install the center console Center Console Removal/Installation (SC).

9. Install the fuel fill cap.