lemon-mirror:
Home >> Honda >> 2009 >> Pilot 2WD V6-3.5L >> Repair and Diagnosis >> Heating and Air Conditioning >> Control Assembly >> Locations >> Climate Control System Component Location Index

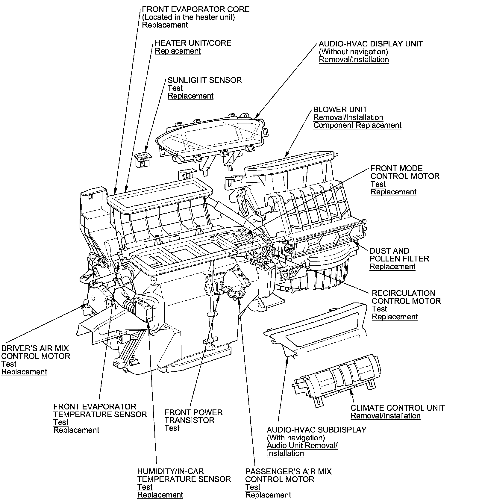
Climate Control System Component Location Index




Climate Control System Component Location Index

'09-10 models