lemon-mirror:
Home >> Honda >> 2009 >> Odyssey V6-3.5L >> Repair and Diagnosis >> Powertrain Management >> Computers and Control Systems >> Knock Sensor >> Service and Repair

Knock Sensor: Service and Repair




Knock Sensor Replacement

1. Remove the intake manifold Intake Manifold Removal/Installation.

2. Remove the injector rails and the injector base.

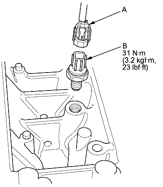
3. Disconnect the knock sensor 1P connector (A), then remove the knock sensor (B).





4. Install the parts in the reverse order of removal.