lemon-mirror:
Home >> Honda >> 2009 >> Element 2WD L4-2.4L >> Repair and Diagnosis >> Powertrain Management >> Computers and Control Systems >> Information Bus >> Testing and Inspection >> Multiplex Control System Troubleshooting

Multiplex Control System Troubleshooting




Multiplex Control System Troubleshooting

Special Tools Required

- MPCS Service Connector 07WAZ-001010A

1. Check the No. 9 (10 A) fuse in the under-hood fuse/relay box and the No. 10 (7.5 A) fuse in the under-dash fuse/relay box.

Are the fuses OK?
YES - Go to step 2.

NO - Find and repair the cause of the blown fuse.


2. Remove the driver's dashboard lower cover. Drivers Dashboard Lower Cover Removal/Installation

3. Switch the ceiling light to the middle [door] position. Close all doors. Turn the ignition switch to ON (II).
If the driver's seat belt is unbuckled, the beeper will beep five times.





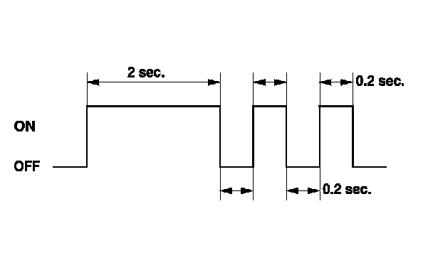
4. Check self-diagnosis function Mode 1 for a diagnostic trouble code (DTC) by connecting the special tool (A) to the multiplex control inspection connector (B). After about 5 seconds, the ignition key light and ceiling light should come on for 2 seconds, go out, then blink once for 0.2 second. This means that you are in Mode 1 of the self-diagnosis function.
NOTE: To cancel Mode 1, disconnect the MPCS service connector from the multiplex control inspection connector for more than 10 seconds or turn the ignition switch to LOCK (0).

Did the lights blink to confirm that you are in Mode 1?
YES - Go to step 5.

NO - See if the SCS circuit is working properly, then go to step 6.






5. Check for continuity between under-dash fuse/relay box connector J terminal No. 4 and body ground.

Is there continuity?
YES - Faulty under-dash fuse/relay box. Replace and check for DTCs.

NO - Repair the open in the wire or poor ground (G301), and recheck for DTCs.


6. If there is a DTC, it will blink, pause, then repeat the DTC as long as the ignition switch is in ON (II).

Is there a repeating DTC?
YES - Count the blinks, then go to step 7.

NO - Go to step 8.


7. About 1 second after you go into self-diagnosis Mode 1, the ceiling light will indicate the DTC, and repeat it every 3 seconds. If there is more than one DTC, the system will indicate them in ascending order, beginning from the DTC with the lowest numerical value. Troubleshoot the DTCs as indicated:
- DTC 1, 2, and 3 simultaneously: Check for a short to body ground in the WHT/GRN wire between multiplex control unit terminal K10 and gauge control module terminal No. 27 and in the BLU/ORN wire between the keyless receiver unit terminal No. 2 and the multiplex control unit terminal K2. If both wires are OK, substitute a known-good multiplex control unit, and gauge control module one at a time, in that order, and recheck for the DTCs after each substitution.

- DTC 2 and 5 simultaneously: Check for an open in the WHT/GRN wire between multiplex control unit terminal K10 and gauge control module terminal No. 27, If the wire is OK, substitute a known-good multiplex control unit and gauge control module one at a time, in that order, and recheck for the DTCs after each substitution.

- DTC 1 and 6 simultaneously: Check for an open in the WHT/GRN wire between multiplex control unit terminal K10 and gauge control module terminal No. 27, and in the BLU/ORN wire between the keyless receiver unit terminal No. 2 and the multiplex control unit terminal K2. If the wire is OK, substitute a known-good multiplex control unit and gauge control module one at a time, in that order, and recheck for the DTCs after each substitution.

- DTC 1 only (no other DTCs present): Substitute a known-good gauge control module and a multiplex control unit one at a time, in that order, and recheck for the DTC after each substitution.

- DTC 2 only (no other DTCs present): Substitute a known-good multiplex control unit and a gauge control module one at a time, in that order, and recheck for the DTC after each substitution.

- DTC 3 only (no other DTCs present): Substitute a known-good multiplex control unit, and recheck for the DTC.

- DTC 5 only (no other DTCs present): Substitute a known-good gauge control module, and recheck for the DTC.

- DTC 6 only (no other DTCs present): Update the ECM/PCM if it does not have the latest software, or substitute a known-good gauge control module, then recheck.





8. From Mode 1, disconnect the special tool from the multiplex control inspection connector for about 5 to 10 seconds, then reconnect it. The ceiling light should come on for 2 seconds, go out, then blink twice more at 0.2 second intervals. This means the system has gone from Mode 1 to Mode 2.

MODE 2:





NOTE: To cancel Mode 2, disconnect the SCS service connector from the multiplex control inspection connector for more than 10 seconds or turn the ignition switch to LOCK (0).

9. Look in the following table for the switches most closely related to the problem. While still in Mode 2, operate the switches. If the circuit is OK, the ceiling light should blink once. If the circuit is faulty, there will be no indication.
In the table below is a list of circuits that can be checked in Mode 2.





NOTE: You can check the rear door switches individually if the others are latched.

Does the ceiling light blink?
YES - Go to Sleep and Wake-up Mode Test. Multiplex Control System Sleep and Wake-Up Mode Test

NO - Go to step 10.


10. Check two or three other circuits listed in the chart.

Does the ceiling light blink for each circuit?
YES - The additional circuits are OK. Repair the short or open in the circuit that failed the test in step 9.

NO - Multiple failed circuits can mean that the control unit has failed without triggering a DTC. Test a few more circuits. If they also fail, test the multiplex control unit inputs. Multiplex Control Unit Input Test If all the input test are OK, substitute a known-good multiplex control unit, gauge control module, or ECM/PCM, one at a time, then recheck. If the system works properly, the part that was substituted is faulty; replace it. If there is still a malfunction, substitute a known-good control unit for the next most likely faulty control unit, then recheck. If the system works properly, that control unit is faulty; replace it.