lemon-mirror:
Home >> Honda >> 2009 >> Civic L4-1.8L >> Repair and Diagnosis >> Specifications >> Mechanical Specifications >> Engine >> Intake Manifold

Intake Manifold




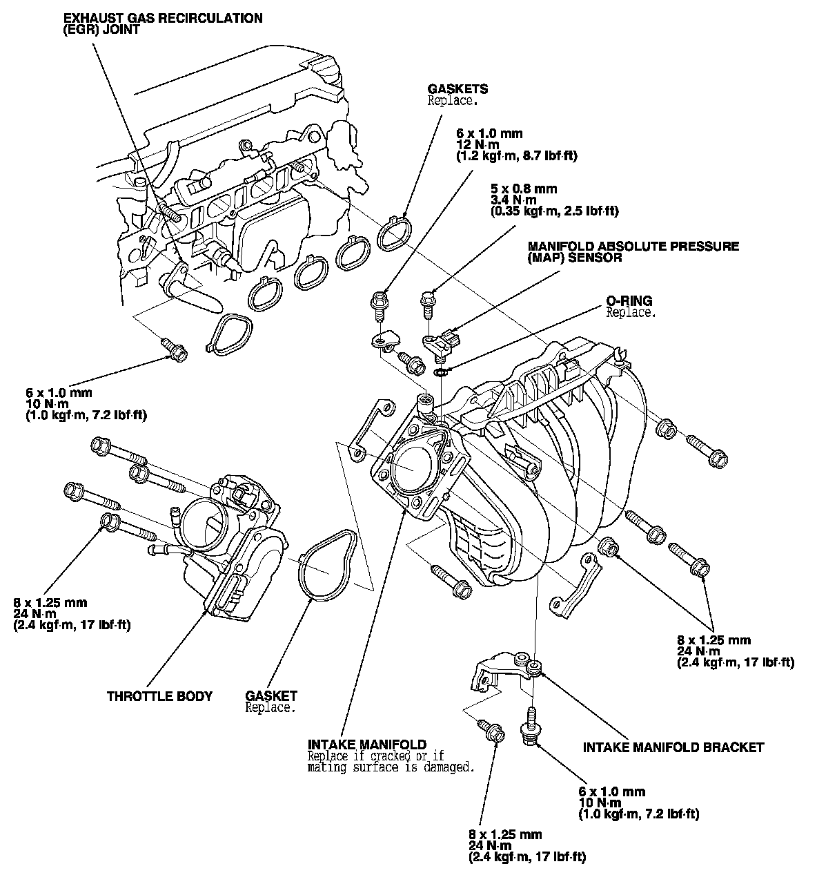
Intake Manifold Removal and Installation

Exploded View