lemon-mirror:
Home >> Honda >> 2009 >> Civic L4-1.8L >> Repair and Diagnosis >> Powertrain Management >> Computers and Control Systems >> Knock Sensor >> Locations >> Engine Block Assembly Component Location Index

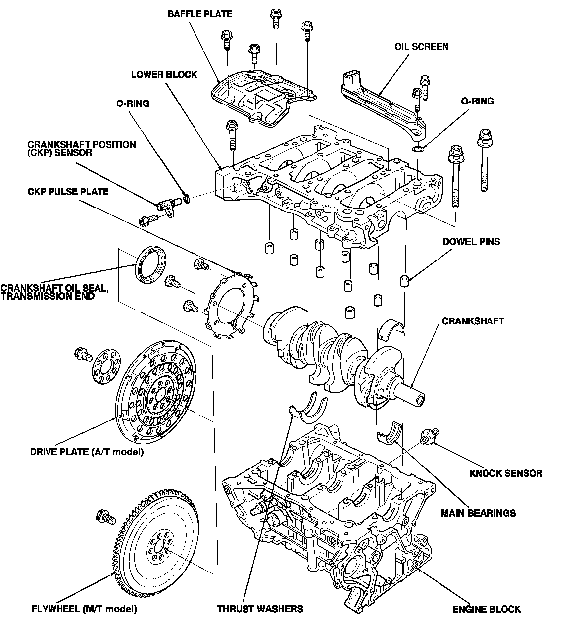
Engine Block Assembly Component Location Index




Engine Block Assembly Component Location Index