lemon-mirror:
Home >> Honda >> 2008 >> S2000 L4-2.2L >> Repair and Diagnosis >> Powertrain Management >> Ignition System >> Knock Sensor >> Locations

Knock Sensor: Locations

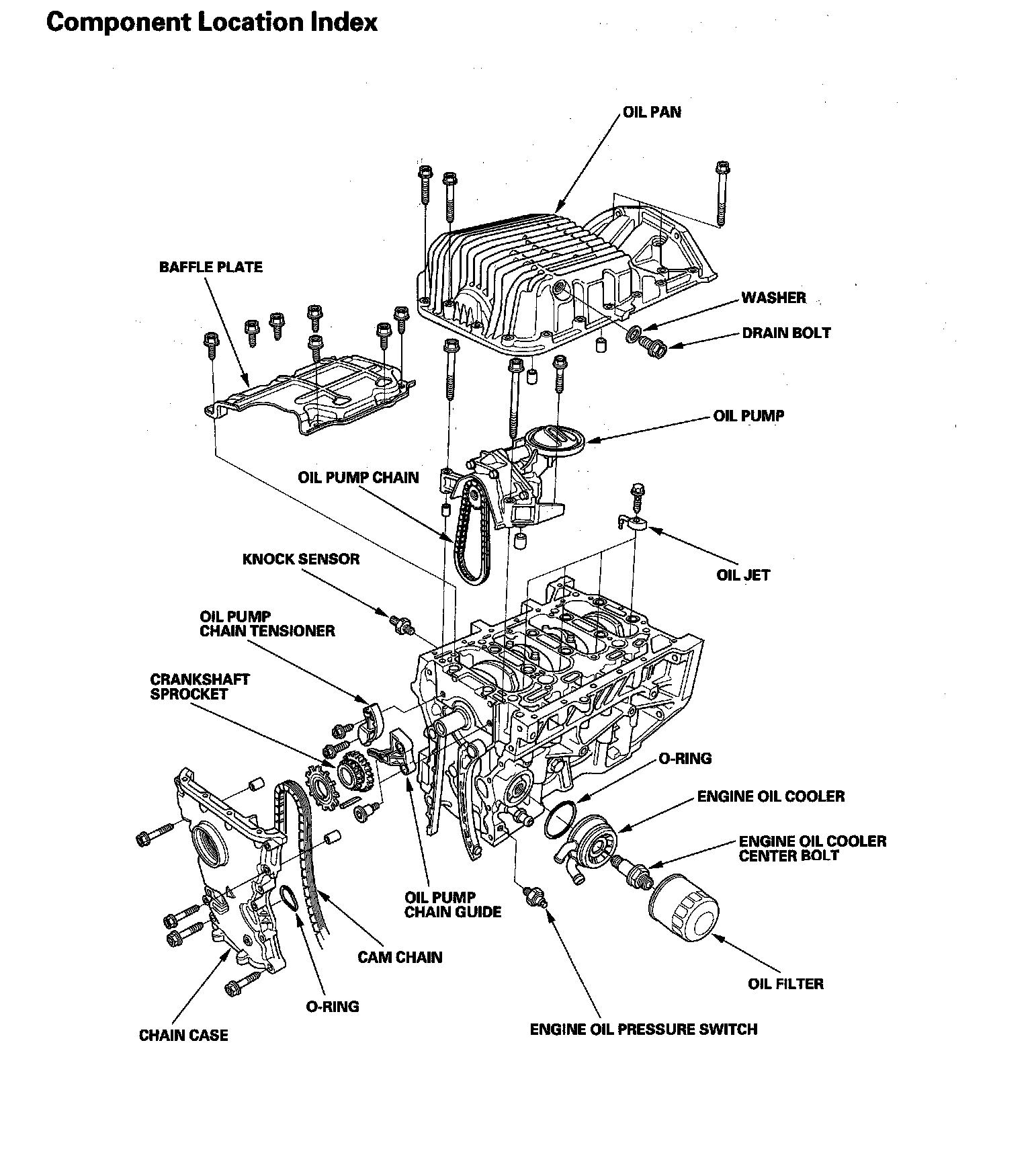
Engine Lubrication Component Location Index:



31. Left Side Of Engine:



PGM-FI System Component Location Index: