lemon-mirror:
Home >> Honda >> 2008 >> S2000 L4-2.2L >> Repair and Diagnosis >> Powertrain Management >> Ignition System >> Ignition Coil >> Service and Repair

Ignition Coil: Service and Repair

Ignition Coil Removal/Installation




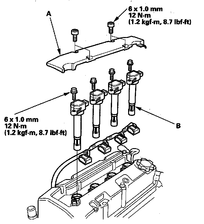
1. Remove the ignition coil cover (A).
2. Disconnect the ignition coil connectors, then remove the ignition coils (B).




3. Install the ignition coils in the reverse order of removal.

NOTE: The ignition coils for '06-08 models are different from former models. Do not install the ignition coils from other model years, because they may be damaged. To differentiate between the two types of ignition coils, the ignition coils for '06-08 models have the ribs (A) on the coil head and supplier's parts number (B).