lemon-mirror:
Home >> Honda >> 2008 >> S2000 L4-2.2L >> Repair and Diagnosis >> Powertrain Management >> Computers and Control Systems >> Fuel Level Sensor >> Service and Repair

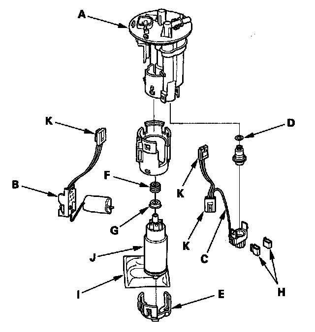
Fuel Level Sensor: Service and Repair

Fuel Pump/Fuel Gauge Sending Unit Replacement

1. Remove the fuel tank unit.




2. Remove the fuel filter (A), the fuel gauge sending unit (B), and the wire harness (C).
3. Install the parts in the reverse order of removal with a new O-ring (D), new bracket (E), new spacer (F), new grommet (G), and new clips (H), then check these items:
- Make sure the connection is secure and the suction filter (I) is firmly connected to the fuel pump (J).
- When connecting the wire harness, make sure the connection is secure and the connectors (K) are firmly locked into place.
- When installing the fuel gauge sending unit, make sure the connection is secure and the connector is firmly locked into place. Be careful not to bend or twist it excessively.