lemon-mirror:
Home >> Honda >> 2008 >> Ridgeline V6-3.5L >> Repair and Diagnosis >> Powertrain Management >> Computers and Control Systems >> Engine Control Module >> Testing and Inspection >> Programming and Relearning >> Updating the PCM/Substituting the PCM

Updating the PCM/Substituting the PCM

Updating the PCM

Special Tools Required

- Honda diagnostic system (HDS) tablet tester
- Honda interface module (HIM) and an iN workstation with HDS and CM update software
- HDS pocket tester
- GNA-600 and an iN workstation with HDS and CM update software

NOTE:
- Use this procedure when you have to update the PCM during troubleshooting procedures.
- Make sure the HDS/HIM has the latest software version downloaded from the iN (interactive network).
- Before you update the PCM, make sure the battery in the vehicle is fully charged, and connect a jumper battery (not a battery charger).
- Never turn the ignition switch OFF during the update. If there is a problem with the update, leave the ignition switch ON.
- To prevent PCM damage, do not operate anything electrical (headlights, audio system, brakes, A/C, power windows, door locks, etc.) during the update.
- To ensure the latest program is installed, do a PCM update whenever the PCM is substituted or replaced.
- You cannot update a PCM with a program it already has. It will only accept a new program.
- If you need to diagnose the Honda interface module (HIM) because the HIM's red (#3) light came on or was flashed during the update, leave the ignition switch in the ON (II) position when you disconnect the HIM from the data link connector (DLC). This will prevent PCM damage.

1. Turn the ignition switch ON (II), but do not start the engine.
2. Connect the HDS to the data link connector (DLC) (A) located under the driver's side of the dashboard.






3. Make sure the HDS communicates with the PCM. If it doesn't, go to the DLC circuit troubleshooting. If you are returning from the DLC circuit troubleshooting, skip steps 4 and 5 and clean the throttle body after updating the PCM.
4. Select the INSPECTION MENU with the HDS.
5. Select the ETCS TEST, then select the TP POSITION CHECK, and follow the screen prompts with the HDS.

NOTE: If the TP POSITION CHECK indicates FAILED, continue this procedure.

6. Exit the HDS diagnostic system, then select the update mode, and follow the screen prompts to update the PCM.

7. If the software in the PCM is the latest, disconnect the HDS/HIM from the DLC, and go back to the procedure that you were doing. If the software in the PCM is not the latest, follow the instructions on the screen. If prompted to choose the PGM-FI system or the A/T system, make sure you update both.

NOTE: If the PCM update system requires you to cool the PCM, follow the screen prompts. If you run into a problem (programming takes over 15 minutes, status bar goes over 100 %, D or immobilizer light flashes, HDS tablet freezes, etc.) during the update procedure, follow these steps to minimize the chance of damaging the PCM:

- Leave the ignition switch in the "ON (II)" position.
- Connect a jumper battery (do not connect a battery charger).
- Shut down the HDS.
- Disconnect the HDS from the DLC.
- Reboot the HDS.
- Reconnect the HDS to the DLC, and try the update procedure again.

8. If the TP POSITION CHECK failed in step 6, clean the throttle body.
9. Do the PCM idle learn procedure.
10. Do the crank (CKP) pattern learn procedure.

Substituting the PCM

Special Tools Required

- Honda diagnostic system (HDS) tablet tester
- Honda interface module (HIM) and an iN workstation with HDS and CM update software
- HDS pocket tester
- GNA-600 and an iN workstation with HDS and CM update software

NOTE: Use this procedure when you have to substitute a known-good PCM during troubleshooting procedures.

1. Connect the HDS to the data link connector (DLC) (A) located under the driver's side of the dashboard.






2. Turn the ignition switch ON (II).
3. Make sure the HDS communicates with the PCM and other vehicle systems. If it doesn't, go to the DLC circuit troubleshooting. If you are returning from DLC circuit troubleshooting, skip step 4 to 8, then clean the throttle body after substituting the PCM.
4. Select the INSPECTION MENU with the HDS.
5. Select the ETCS TEST, then select the TP POSITION CHECK, and follow the screen prompts.

NOTE: If the TP POSITION CHECK indicates FAILED, continue this procedure.

6. Jump the SCS line with the HDS.
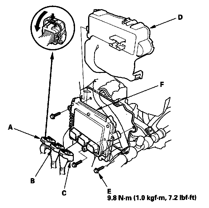
7. Remove the cover (D).






8. Disconnect PCM connectors A, B, and C.

NOTE: PCM connectors A, B, and C have symbols (A=square B=triangle, C=circle) embossed on them for identification.

9. Remove the bolts (E), then remove the PCM (F).
10. Install the parts in the reverse order of removal.
11. Open the SCS with the HDS.
12. Turn the ignition switch ON (II).

NOTE: DTC P0630 "VIN Not Programmed or Mismatch" may be stored because the VIN has not been programmed into the PCM; ignore it, and continue this procedure.

13. Manually input the VIN to the PCM with the HDS.
14. Update the PCM if it does not have the latest software.
15. Select the IMMOBI SYSTEM with the HDS.
16. Enter the immobilizer code with the PCM replacement procedure in the HDS; it allows you to start the engine.
17. Reset the PCM with the HDS.
18. If the TP POSITION CHECK failed in step 6, clean the throttle body.
19. Do the PCM idle learn procedure.
20. Do the crank (CKP) pattern learn procedure.