lemon-mirror:
Home >> Honda >> 2008 >> Odyssey V6-3.5L >> Repair and Diagnosis >> Transmission and Drivetrain >> Automatic Transmission/Transaxle >> Control Module >> Testing and Inspection >> Programming and Relearning

Programming and Relearning

Substituting the PCM

Special Tools Required
^ Honda diagnostic system (HDS) tablet tester
^ Honda interface module (HIM) and an in workstation with HDS and CM update software
^ HDS pocket tester
^ GNA600 and an in workstation with HDS and CM update software
Use any one of these update tools.

NOTE: Use this procedure when you need to substitute a known-good PCM during a troubleshooting procedures.

1. Connect the HDS to the data link connector (DLC) (A) located under the driver's side of the dashboard.





2. Turn the ignition switch to ON (II).
3. Make sure the HDS communicates with the PCM. If it does not, go to the DLC circuit troubleshooting. If you are returning from the DLC circuit troubleshooting, skip steps 4 to 5, and clean the throttle body after substituting the PCM.
4. USA, Canada models: Select the INSPECTION MENU with the HDS.
5. USA, Canada models: Select the ETCS TEST, then select the TP POSITION CHECK, and follow the screen prompts.

NOTE: If the TP POSITION CHECK indicates FAILED, continue this procedure.

6. Turn the ignition switch to LOCK (0).
7. Jump the SCS line with the HDS.
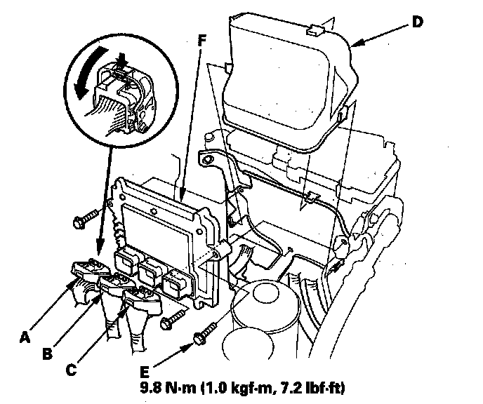
8. Remove the power steering fluid reservoir from the body.
9. Remove the cover (D).





10. Disconnect PCM connectors A, B, and C.

NOTE: PCM connectors A, B, and C have symbols (A=[square], B=[triangle], C=[circle]) embossed on them for identification.

11. Loosen or remove the bolts (E), then remove the PCM (F).
12. Install the known-good PCM in the reverse order of removal.
13. Open the SCS with the HDS.
14. Turn the ignition switch to ON (II).

NOTE: USA, Canada models: DTC P0630 "VIN Not Programmed or Mismatch" may be stored because the VIN has not been programmed into the PCM; ignore it, and continue this procedure.

15. USA, Canada models: Manually input the VIN to the PCM with the HDS.
16. Update the PCM if it does not have the latest software.
17. Select the IMMOBI SYSTEM with the HDS.
18. Enter the immobilizer code using the PCM replacement procedure in the HDS; this allows you to start the engine.
19. Reset the PCM with the HDS.
20. USA, Canada models: If the TP POSITION CHECK failed in step 5, clean the throttle body.
21. Do the PCM idle learn procedure.
22. Do the CKP pattern learn procedure.

Failure Reproduction Technique

Be careful to the following points while the vehicle is raising on a lift for the test-drive.

^ Disable the VSA by pressing the VSA OFF switch.
^ VSA DTC's may come on when test-drive. If the VSA DTC(s) come on, clear the DTC(s) with the HDS.