lemon-mirror:
Home >> Honda >> 2008 >> Odyssey V6-3.5L >> Repair and Diagnosis >> Heating and Air Conditioning >> Control Assembly >> Service and Repair >> Climate Control >> Climate Control Panel Removal/Installation

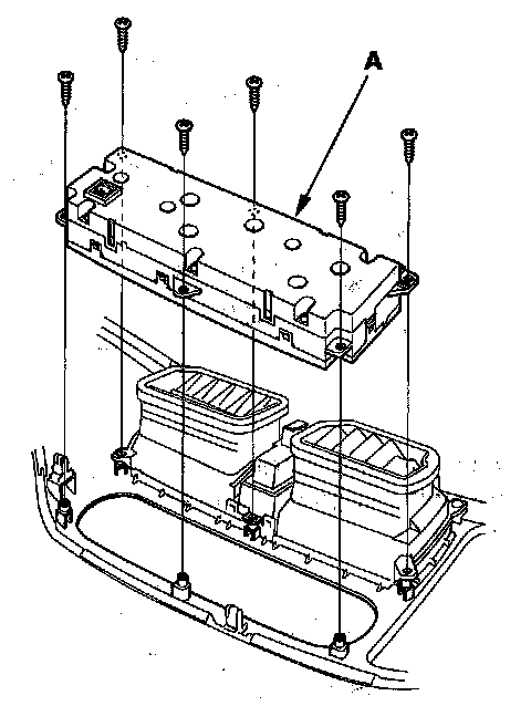
Climate Control Panel Removal/Installation

Climate Control Panel Removal/Installation

1. Remove the center panel.
2. Remove the self-tapping screws and the climate control panel (A).






3. Install the control panel in the reverse order of removal. After installation, operate the various functions to see whether works properly.
4. Run the self-diagnostic function to confirm that there are no problems in the system.