lemon-mirror:
Home >> Honda >> 2008 >> Odyssey V6-3.5L >> Repair and Diagnosis >> Diagrams >> Electrical Diagrams >> Memory Positioning Systems >> Driving Position Memory System (DPMS) Circuit Diagram

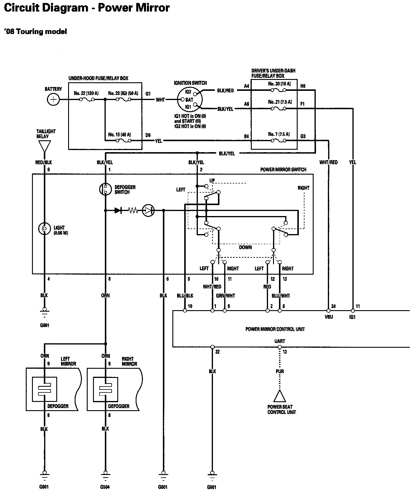
Driving Position Memory System (DPMS) Circuit Diagram

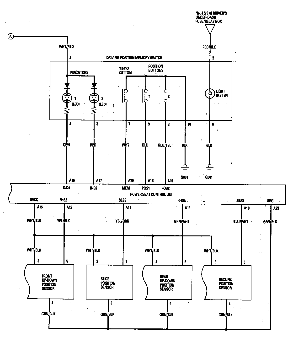
Driving Position Memory Systems (DPMS) Circuit Diagram (Part 1):



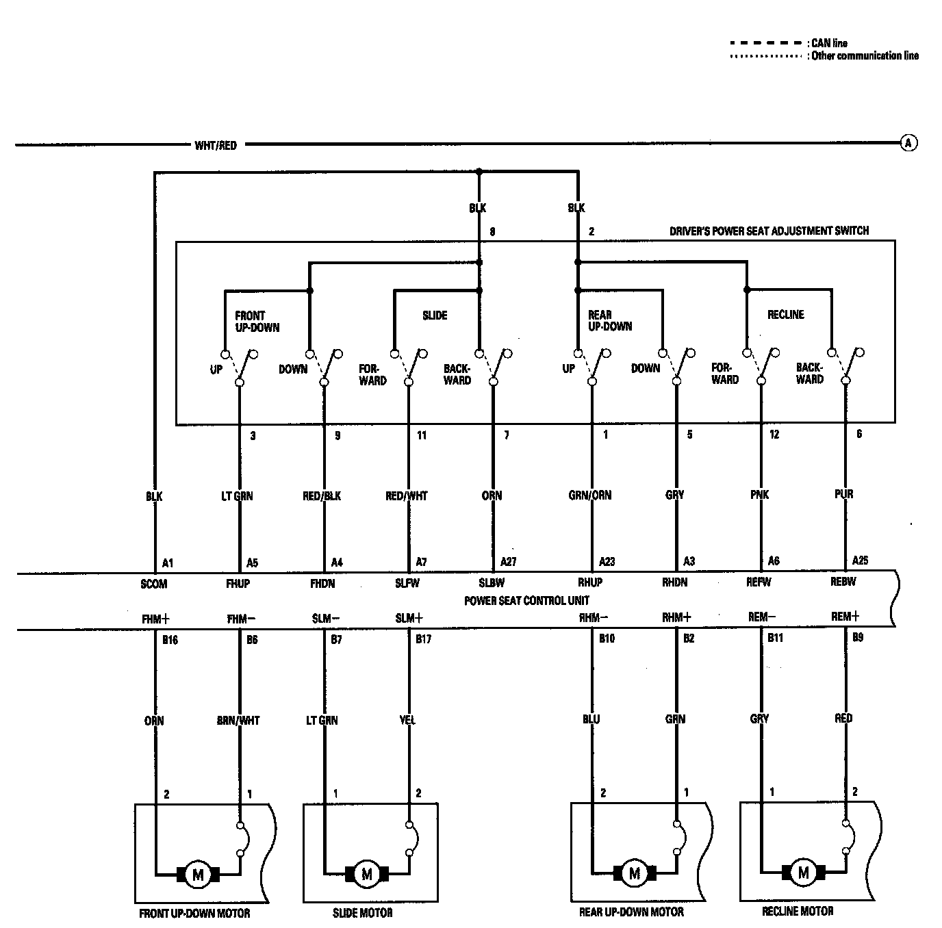
Driving Position Memory Systems (DPMS) Circuit Diagram (Part 2):



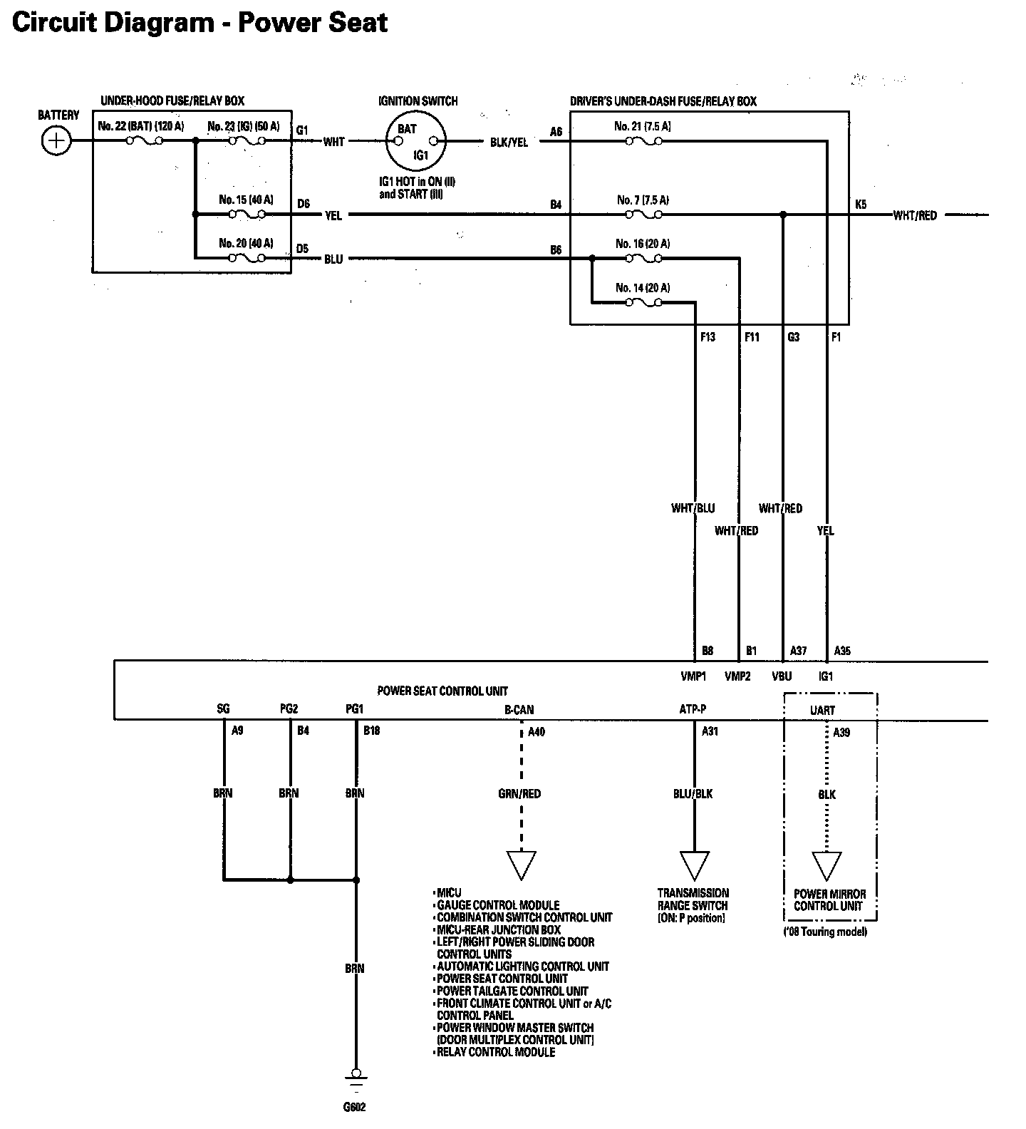
Driving Position Memory Systems (DPMS) Circuit Diagram (Part 3):



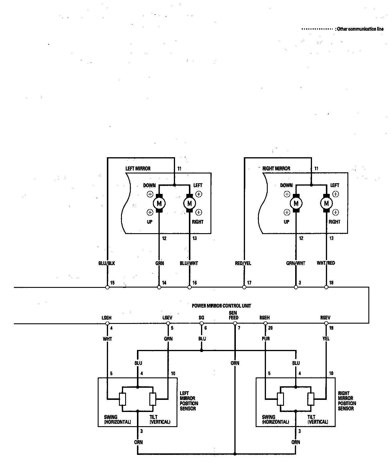
Driving Position Memory Systems (DPMS) Circuit Diagram (Part 4):



Driving Position Memory Systems (DPMS) Circuit Diagram (Part 5):