lemon-mirror:
Home >> Honda >> 2008 >> Fit L4-1.5L >> Repair and Diagnosis >> Powertrain Management >> Computers and Control Systems >> Electronic Throttle Control Module >> Service and Repair

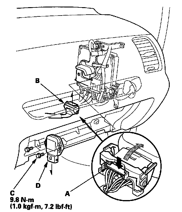
Electronic Throttle Control Module: Service and Repair

Throttle Actuator Control Module Replacement

1. Remove the passenger's dashboard under cover, the side kick panel, and the glove box.
2. Push the tab (A), and disconnect the throttle actuator control module connector (B).






3. Remove the bolts (C), and the throttle actuator control module (D).
4. Install the parts in the reverse order of removal.