lemon-mirror:
Home >> Honda >> 2008 >> Element 2WD L4-2.4L >> Repair and Diagnosis >> Transmission and Drivetrain >> Automatic Transmission/Transaxle >> Control Module >> Testing and Inspection >> Programming and Relearning >> Substituting the PCM

Substituting the PCM

Substituting the PCM

Special Tools Required
^ Honda diagnostic system (HDS) tablet tester
^ Honda interface module (HIM) and an iN workstation with HDS and CM update software
^ HDS pocket tester
^ GNA600 and an iN workstation with HDS and CM update software

NOTE: Use this procedure when you need to substitute a known-good PCM during troubleshooting procedures.

1. Connect the HDS to the data link connector (DLC) (A) located under the driver's side of the dashboard.





2. Turn the ignition switch ON (II).
3. Make sure the HDS communicates with the PCM. If it does not, go to the DLC circuit troubleshooting. If you are returning from DLC circuit troubleshooting, skip steps 4 thru 14, then clean the throttle body after substituting the PCM.
4. Select the INSPECTION MENU with the HDS.
5. Select the ETCS TEST, then select the TP POSITION CHECK and follow the screen prompts.

NOTE: If the TP POSITION CHECK indicates FAILED, continue this procedure.

6. Turn the ignition switch OFF.
7. Jump the SCS line with the HDS.
8. Remove the passenger's dashboard under cover and the glove box.
9. Cut the plastic cross brace in the glove box opening with diagonal cutters in the area shown, and discard it.





10. Remove the relays (A), then remove the bolts (B) and the glove box frame (C).





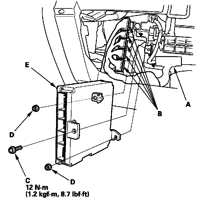
11. Remove the gray 20P PCM wire harness connector (A) from the PCM mounting bracket.





12. Disconnect the PCM connectors (B).
13. Remove the PCM mounting bolt (C) and the bracket.
14. Remove the nuts (D), then remove the PCM (E).
15. Install the PCM in the reverse order of removal.
16. Open the SCS line with the HDS.
17. Turn the ignition switch ON (II).

NOTE: DTC P0630 "VIN Not Programmed or Mismatch" may be stored because the VIN has not been programmed into the PCM; ignore it, and continue this procedure.

18. Manually input the VIN to the PCM with the HDS.
19. Update the PCM if it does not have the latest software.
20. Select the IMMOBI SYSTEM with the HDS.
21. Enter the immobilizer code with the PCM replacement procedure in the HDS; it allows you to start the engine.
22. Reset the PCM with the HDS.
23. If the TP POSITION CHECK failed in step 5, clean the throttle body.
24. Do the PCM idle learn procedure.
25. Do the CKP pattern learn procedure.