lemon-mirror:
Home >> Honda >> 2008 >> Element 2WD L4-2.4L >> Repair and Diagnosis >> Specifications >> Mechanical Specifications >> Automatic Transmission/Transaxle >> General Specifications

General Specifications

Drive Plate





Tighten the eight bolts in a crisscross pattern in two or more steps.

Mainshaft

Mainshaft:





Countershaft

Countershaft:





Secondary

Secondary Shaft:





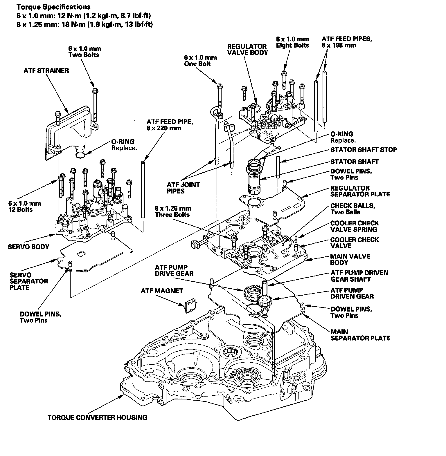
Valve Body





Transmission Housing






For information regarding Transmission Overhaul Specifications please refer to Service and Repair Overhaul