lemon-mirror:
Home >> Honda >> 2008 >> Civic L4-1.8L >> Repair and Diagnosis >> Powertrain Management >> Computers and Control Systems >> Knock Sensor >> Service and Repair

Knock Sensor: Service and Repair

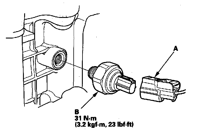
Knock Sensor Replacement

1. Remove the intake manifold.
2. Disconnect the knock sensor 1P connector (A).






3. Remove the knock sensor (B).
4. Install the parts in the reverse order of removal.