lemon-mirror:
Home >> Honda >> 2008 >> Civic L4-1.8L >> Repair and Diagnosis >> Powertrain Management >> Computers and Control Systems >> Air Flow Meter/Sensor >> Service and Repair

Air Flow Meter/Sensor: Service and Repair

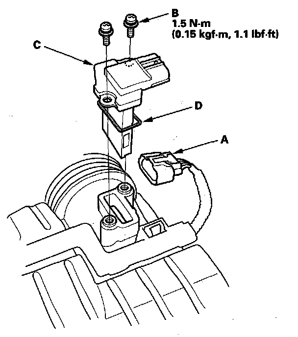
MAF Sensor/IAT Sensor Replacement

1. Disconnect the MAF sensor/IAT sensor 5P connector (A).






2. Remove the bolts (B).
3. Remove the MAF sensor/IAT sensor (C).
4. Install the parts in the reverse order of removal with a new O-ring (D).